W-25SUS
Cat:Sus kerék szállítószalag
Beír D*w*d*b Tengely Keretméret h*w1*w2*...
A kerék szállítószalag, más néven hengervezető sín vagy görgős csúszás, egy nagyon hatékony eszköz, amelyet az anyagkezeléshez és az automatizáláshoz használnak. Általában görgőkből és zárójelből áll. Ezek a görgők támogatják és vezetik a terheléseket a sima mozgáshoz egy megadott irányban.

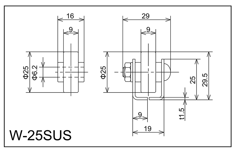
Beír D*w*d*b Tengely Keretméret h*w1*w2*...
| Beír | D*w*d*b | Tengely | Keretméret h*w1*w2*w3*t | Magasság H | Hossz L | Kerékpárt P | Egykerekű terhelés (kg) | Keret típus |
| W-25SUS | 25x9x6,2x16 | M6x25L | 25x19x9x29x1,5 | 29.5 | 1000 · 1500 · 2000 | 30 · 35 | 30 | A |

Beír D*w*d*b Tengely Keretméret h*w1*w2*...
| Beír | D*w*d*b | Tengely | Keretméret h*w1*w2*w3*t | Magasság H | Hossz L | Kerékpárt P | Egykerekű terhelés (kg) | Keret típus |
| W-2523SUS | 25x23x8,2x25 | M8x35L | 25x28x9x40x1,5 | 29.5 | 1000 · 1500 · 2000 | 30 · 35 | 50 | A |

Beír D*w*d*b Tengely Keretméret h*w1*w2*...
| Beír | D*w*d*b | Tengely | Keretméret h*w1*w2*w3*t | Magasság H | Hossz L | Kerékpárt P | Egykerekű terhelés (kg) | Keret típus |
| HG-W36SUS | 36x9x6,2x25 | M6x38L | 45x29x10x42x2.0 | 51 | 1800 · 2400 · 3000 | 50 · 75 · 100 · 150 | 40 | A |

Beír D*w*d*b Tengely Keretméret h*w1*w2*...
| Beír | D*w*d*b | Tengely | Keretméret h*w1*w2*w3*t | Magasság H | Hossz L | Kerékpárt P | Egykerekű terhelés (kg) | Keret típus |
| W-36CS-Sus | 36x9x8,2x28 | M8x40L | 42x60x32x45x2.0 | 47 | 1800 · 2400 · 3000 | 50,75 · 100 · 150 | 40 | J |

Beír D*w*d*b Tengely Keretméret h*w1*w2*...
| Beír | D*w*d*b | Tengely | Keretméret h*w1*w2*w3*t | Magasság H | Hossz L | Kerékpárt P | Egykerekű terhelés (kg) | Keret típus |
| W-36BW-SU | 36x9x8,2x14 | M8x55L | 46x60x33 × 71 1.5 2.0 | 52 | 1800 · 2400 · 3000 | 50 · 75 · 100 · 150 | 40 | K |

Beír D*w*d*b Tengely Keretméret h*w1*w2*...
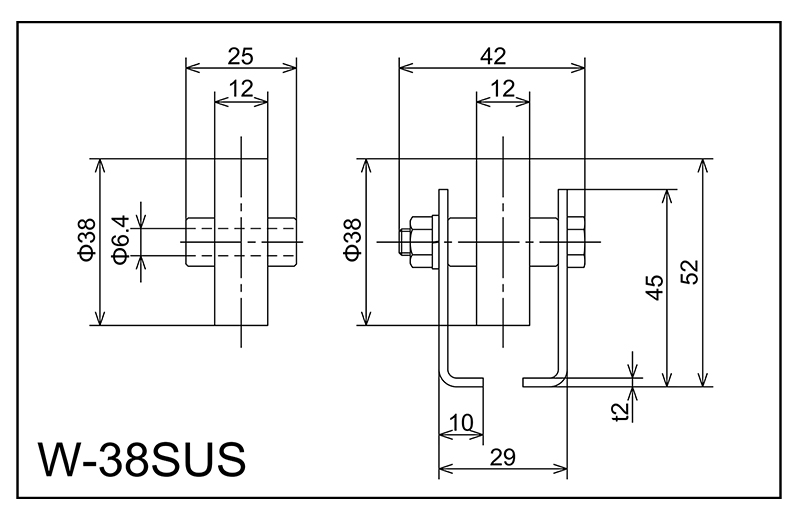
| Beír | D*w*d*b | Tengely | Keretméret h*w1*w2*w3*t | Magasság H | Hossz L | Kerékpárt P | Egykerekű terhelés (kg) | Keret típus |
| W-38SUS | 38x12x6.4x25 | M6x38L | 45x29x10x42x2.0 | 52 | 1800 · 2400 · 3000 | 50 · 75 · 100 · 150 | 20 | A |

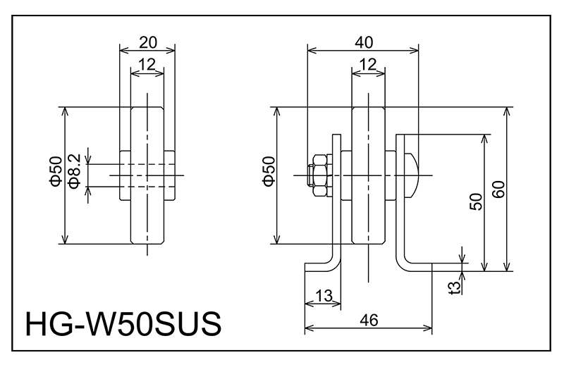
Beír D*w*d*b Tengely Keretméret h*w1*w2*...
| Beír | D*w*d*b | Tengely | Keretméret h*w1*w2*w3*t | Magasság H | Hossz L | Kerékpárt P | Egykerekű terhelés (kg) | Keret típus |
| HG-W50SUS | 50x12x8,2x20 | M8x35L | 50x46x13x40x3.0 | 60 | 1800 · 2400 · 3000 | 75 · 100 · 150 · 200 | 80 | C |

Beír D*w*d*b Tengely Keretméret h*w1*w2*...
| Beír | D*w*d*b | Tengely | Keretméret h*w1*w2*w3*t | Magasság H | Hossz L | Kerékpárt P | Egykerekű terhelés (kg) | Keret típus | Gumi |
| W-30RB | 30x9x6,2x16 | M6x27L | 25x19.2x9x31x1.6 | 33 | 1000 · 1500 · 2000 | 35 | 25 | A | NBR |

Beír D*w*d*b Tengely Keretméret h*w1*w2*...
| Beír | D*w*d*b | Tengely | Keretméret h*w1*w2*w3*t | Magasság H | Hossz L | Kerékpárt P | Egykerekű terhelés (kg) | Keret típus | Gumi |
| W-3812R | 38x28x12.2x32 | M12X50L | 35x38.4x13x58x3.2 | 43 | 1000 · 1500 · 2000 | 40 · 70 · 100 | 80 | A | NBR |

Beír D*w*d*b Tengely Keretméret h*w1*w2*...
| Beír | D*w*d*b | Tengely | Keretméret h*w1*w2*w3*t | Magasság H | Hossz L | Kerékpárt P | Egykerekű terhelés (kg) | Keret típus | Gumi |
| W-40RS | 40x9x8,2x28 | M8x40L | 42.3x60x32.6x45x2.3 | 49.3 | 1800 · 2400 · 3000 | 50 · 75 · 100 · 150 | 20 | J | NBR |

Beír D*w*d*b Tengely Keretméret h*w1*w2*...
| Beír | D*w*d*b | Tengely | Keretméret h*w1*w2*w3*t | Magasság H | Hossz L | Kerékpárt P | Egykerekű terhelés (kg) | Keret típus | Gumi |
| WB-40RS | 40x9x8,2x28 | M8x40L | 42,3x60x31,2x45 × 23 | 51.3 | 1800 · 2400 · 3000 | 50 · 75 · 100 | 20 | F | NBR |

Beír D*w*d*b Tengely K -eretméret h*w1*w...
| Beír | D*w*d*b | Tengely | K -eretméret h*w1*w2*w3*t | Magasság H | Hossz L | Kerékpárt P | Egykerekű terhelés (kg) | Keret típus | Gumi |
| W-40RW | 40x9x8.2x14 | M8x55L | 46,3x60x33x71x2.3 | 54.3 | 1800 · 2400 · 3000 | 50 · 75 · 100 · 150 | 20 | K | NBR |
Miért befolyásolja közvetlenül a görgős szállítószalag karbantartása a rendszer élettartamát? ...
További információMitől lesz egy görgős szállítószalag igazán nagy teherbírású? A nagy teherbírású görgős ...
További információMik azok a görgős szállítószalagok, és miért számít a típus? Görgős szállítószalagok...
További információMiért maradnak a görgős szállítószalagok az anyagmozgatás gerince? Görgős szállítósz...
További információSzállítószalagos rendszerek nap mint nap több millió tonna anyagot szállítanak át gyá...
További információKarbantartási és ápolási tippek kerék szállítószalag
A hosszú távú működés során a szállítószalagok felhalmozhatják a port, az olajat és más törmelékeket, amelyek nemcsak növelik a súrlódást, hanem a hengerek és a pályák kopását is okozhatják. Ezért a napi tisztításnak tartalmaznia kell légnyomás vagy speciális szerszámok használatát a hulladékfelületről történő eltávolításához a henger és a pálya közötti zökkenőmentes érintkezés biztosítása érdekében. Különösen akkor, ha ragacsos anyagokkal vagy poros környezetben gyártóvezetékekkel foglalkozik, a tisztítási gyakoriságot meg kell növelni. Ezenkívül fontos lépés a görgők és a görgők állapotának ellenőrzése annak biztosítása érdekében, hogy azok ne alakuljanak meg vagy sérüljenek.
A hengerek és zárójelek súrlódást eredményeznek a működés közben. A megfelelő kenés hosszú távú hiánya túlzott kopást és az alkatrészek elakadását is okozhatja. A megfelelő kenőanyag kiválasztása és rendszeres kenése a használat gyakorisága szerint hatékonyan csökkentheti a mechanikus alkatrészek kopását, és a berendezés zökkenőmentes működését tarthatja. Általában háromhavonta ellenőrizni kell a görgők és csapágyak kenését, hogy minden forgó rész teljesen kenjen. Ezenkívül a megfelelő kenés nemcsak csökkentheti a kopást, hanem csökkentheti a zajt a berendezés működése során, így csendesebb munkakörnyezetet teremt.
Gyakran ellenőrizze a szállítószalag terhelését, hogy az a névleges terhelési tartományon belül működik -e. A túlterhelés károsodást vagy deformációt okozhat a görgőknek, vagy akár súlyosabb hibákat okozhat. Ezért rendszeresen ellenőrizni kell az egyes átviteli rendszereket, hogy megbizonyosodjon arról, hogy normál működési állapotban van -e, nem laza, és nem okoz rendellenes zajt. A gyakran nehéz tárgyakat hordozó rendszerek szállításához nagyon fontos, hogy rendszeresen ellenőrizze és cserélje ki a kulcsfontosságú alkatrészeket, például az átviteli láncokat, a görgőket és az öveket.
A Wuxi Huiqian Logistics Machinery Manufacturing Co., Ltd.-nél megértjük a kiváló minőségű berendezések fontosságát a hatékony és megbízható műveletek fenntartásában. A fejlett japán technológia és szakértelem integrálásával alapított cégünk a görgők, görgős szállítószalagok, övszállító szerek, tároló ketrecek, logisztikai kocsik, mini szállítószalagok, keretek és polcok gyártására és értékesítésére szakosodott. A Wuxi Nemzeti Hi-Tech Technology Fejlesztési Kerületben található létesítményünk robusztus minőségirányítási rendszerrel, képzett munkaerővel és korszerű feldolgozó berendezésekkel van felszerelve.
A miénk kerék szállítószalag Különösen fejlett technológiával tervezték, és kiváló minőségű alapanyagok felhasználásával készülnek szigorú minőség-ellenőrzés alatt. Ezek a szállítószalagok nemcsak kivételesen jól teljesítenek terhelési kapacitással, hanem optimalizálják a görgők és a nyomvonalak közötti érintkezést, biztosítva az anyagi stabilitást a szállítási folyamat során, miközben csökkentik a kopást és az energiafogyasztást. Átgondolt terméktervezés és pontos folyamatvezérlés révén szállítóink a hosszú távú stabil működést is fenntartják még durva munkakörnyezetben, minimalizálva a karbantartási gyakoriságot és csökkentve a vállalkozások működési költségeit.
Rejtett alkalmazások kerék szállítószalag A mindennapi életben
Lehet, hogy sokan nem veszik észre, hogy minden alkalommal, amikor vásárolnak, az árukat a raktárakból a polcokra szállítják, vagy akár közvetlenül a pénztár számlálókba, amelyeket nem lehet elválasztani a szállítószalagok támogatásától. A szupermarketekben, a bevásárlóközpontokban és az elosztó központokban nagyszámú kerék szállítószalag csendesen működik, segítve a személyzetet hatékonyan a jelölt helyekre a kijelölt helyekre történő szállító pályákon keresztül. Ezek a kerék szállítószalagok nemcsak jelentősen javítják a működési hatékonyságot, hanem csökkentik a kézi kezelés munkaerő -intenzitását, minimalizálva a lehetséges hibákat és veszteségeket. Ugyanakkor tervezésük hangsúlyozza a stabilitást és a tartósságot, lehetővé téve számukra, hogy hatékonyan működjenek a forgalmas munkakörnyezetben, hogy az áruk időben polcba kerüljenek és keringjenek.
Hasonló alkalmazások is megtalálhatók a gyártásban, a raktározásban és a válogató központokban is. Különösen a modern logisztikai rendszerekben a kerék szállítószalagok nélkülözhetetlen alkatrészek. Biztosítják a sima logisztikai folyamatokat, ha nagy mennyiségű csomag, alkatrész és áruk hordoznak és irányítanak. Ezekben a mezőkben a kerék szállítószalagok különféle rakományokat kezelnek, a kis csomagoktól a nehézárukig, amelyeket a precíziós tervezett görgős rendszerek révén simán lehet szállítani. Különösen a csúcsidőszakban vagy a promóciós időszakokban, a raktárak és a logisztikai központok erősen támaszkodnak a kerék szállítószalagokra. Hatékony árukáramlási kapacitásuk hatékonyan megakadályozza a szállítás késleltetését.
A Wuxi Huiqian Logistics Machinery Manufacturing Co., Ltd. -nél büszkék vagyunk arra, hogy hozzájárulunk ezekhez az alapvető logisztikai műveletekhez. A fejlett japán technológia és szakértelem integrálásával alapított cégünk a kiváló minőségű görgők, görgős szállítószalagok, övszállítószalagok, tároló ketrecek, logisztikai kocsik, mini szállítószalagok, keretek és polcok gyártására és értékesítésére szakosodott. A Wuxi Nemzeti Hi-Tech Technology Fejlesztési Kerületén alapuló létesítményünk robusztus minőségirányítási rendszerrel, képzett munkaerővel és fejlett feldolgozó berendezésekkel van felszerelve, biztosítva, hogy minden termék megfeleljen a legmagasabb minőségi és teljesítményű előírásoknak.
Különösen a kerék szállítószalagjaink nagy előnyeit mutatják be ezekben a napi alkalmazási forgatókönyvekben. A fejlett technológiával és a prémium görgős anyagokkal gyártott anyagok felhasználásával különféle súlyú és formájú anyagokat tudnak kezelni, miközben stabilan működnek összetett környezetben. Függetlenül attól, hogy ez egy kereskedelmi kiskereskedelmi környezet, amely magas frekvenciájú műveleteket igényel, vagy egy raktározási és logisztikai mezőt igényel, sebességet és pontosságot igényel, a kerék szállítószalagjaink hatékony, sima és megbízható anyagszállítási megoldásokat biztosítanak. Az innovatív tervezés és a szigorú minőség -ellenőrzés révén termékeink támogatják a vállalkozásokat a zökkenőmentes logisztikai műveletek elérésében, a költségek csökkentésében és a termelékenység fokozásában.
A kivitelezés a jövőbe.
No.60, Zhenhu North Road, Hudai Town, Binhu kerület , Wuxi 214100, Kína
+86 139-2153-1116
+86-510-8558 1519/8558 1530
+86-510-8558 1520