Egysoros lánckerék -henger
Cat:Lánckerék -henger
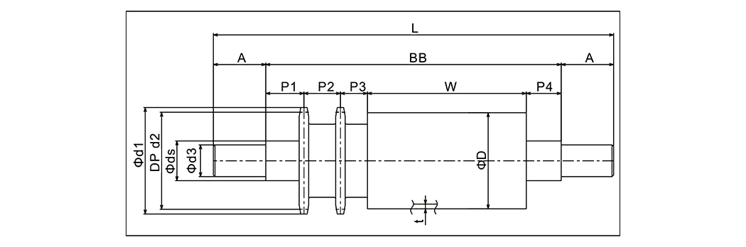
Beír Hengerméret Henger szélessége Hengeres anyag...
A meghajtott henger egy olyan típusú alapjáratú henger, amelyet meghajtású görgős szállítószalagokban használnak, általában hajtókerekekkel, például lánckerekkel, többborda-szíjtárcsákkal, időzítő szíjtárcsákkal, V-ökölvívókkal vagy O-horgott görgőkkel. A lánckerekkel ellátott hajtott hengerek nagy terhelési kapacitást kínálnak, általában acélból készültek, és a terhelési követelmények alapján különféle előírásokkal kaphatók. A vezette hengereket több vázú szíjtárcsákkal, időzítő szíjtárcsákkal és V-öv szíjtárcsákkal övvezérelt rendszerekhez tervezték, és könnyebb terhelési kapacitásokkal rendelkeznek. Az o-horgott hengereket fényszolgáltató görgős szállítószalagokhoz is használják, az övvezérelt hengereknél alacsonyabb terhelési kapacitásokkal.

Beír Hengerméret Henger szélessége Hengeres anyag...
| Beír | Hengerméret | Henger szélessége | Hengeres anyag | HorDozó | Tengely átmérője | Bélésméret | Lánckerék | d | d2 | A | B | W1 | Bb |
| KR-384010S | 38,1 × 2,3 | 100 ~ 800 | STKM | 6001ZZ · 6201Z | 12.0 | 18 × 12,2 × 26 | #40 × 10TS | 46 | 41.1 | 12 | 14 | W-1 | W 28 |
| KR-424010S | 42,7 × 2,3 | 100 ~ 800 | STKM | 6001ZZ · 6201Z | 12.0 | 18x12.2 × 26 | #40 × 10TS | 46 | 41.1 | 12 | 14 | W | W 28 |
| KR-484010S | 48,6 × 3,5 | 100 ~ 800 | SGP40A | 6001ZZ · 6201Z | 12.0 | 18 × 12,2 × 26 | #40 × 10TS | 46 | 41.1 | 12 | 11 | W 5 | W 28 |
| KR-504010S | 50,8 × 1,6 | 100 ~ 800 | STKM | 6001ZZ · 6201Z | 12.0 | 18 × 12,2 × 26 | #40 × 10TS | 46 | 41.1 | 12 | 13 | W-1 | W 28 |
| KR-574010S | 57,1 × 2,1 | 100 ~ 1000 | STKM | 6001ZZ · 6201Z | 12.0 | 18 × 12,2 × 26 | #40 × 10TS | 46 | 41.1 | 12 | 13 | W | W 28 |
| KR-604010S | 60,5 × 2,3 | 100 ~ 1000 | STKM | 6001ZZ · 6201Z | 12.0 | 18 × 12,2 × 26 | #40 × 10TS | 46 | 41.1 | 12 | 13 | W | W 28 |
| KR-605011S | 60,5 × 3. | 100 ~ 1000 | SGP50A | 6002ZZ | 15.0 | 21 × 15,2 × 41,5 · 21 × 15,2 × 12 | #50 × 11TS | 63 | 56.35 | 20 | 18 | W 3 | W 48 |
| KR-765011S | 76,3 × 4,2 | 100 ~ 1000 | SGP65A | 6002ZZ | 15.0 | 21 × 15,2 × 41,5 · 21 × 152 × 12 | #50 × 11TS | 63 | 56.35 | 20 | 18 | W 2 | W 48 |
| KR-605013S | 60,5 × 3,8 | 100 ~ 1000 | SGP50A | 6004ZZ | 20.0 | 29 × 20,2 × 38,5 · 29 × 20,2 × 15 | #50 × 13TS | 73 | 66.34 | 20 | 18 | W 1 | W 48 |
| KR-765013S | 76,3 × 4,2 | 100 ~ 1000 | SGP65A | 6004ZZ | 20.0 | 29x20.2x38,5 · 29 × 20,2 × 15 | #50 × 13TS | 73 | 66.34 | 20 | 18 | W 2 | W 48 |
| KR-895013S | 89,1 × 4,2 | 100 ~ 1000 | SGP80A | 6004ZZ | 20.0 | 29 × 20,2x38,5 · 29 × 202x15 | #50 × 13TS | 73 | 66.34 | 20 | 18 | W | W 48 |
| KR-1146014S | 114,3 × 4,5 | 300 ~ 2000 | SGP100A | 6205ZZ | 25.0 | 35 × 26 × 19 · 35 × 26 × 21 | #60 × 14TS | 93 | 85.61 | 20 | 23 | W | W 58 |
| KR-1406016S | 139,8 × 4,5 | 300 ~ 2000 | SGP125A | 6206ZZ | 30.0 | 38 × 31,1 × 19 · 38 × 31,1 × 21 | #60 × 16ts | 107 | 97.65 | 20 | 23 | W | W 58 |

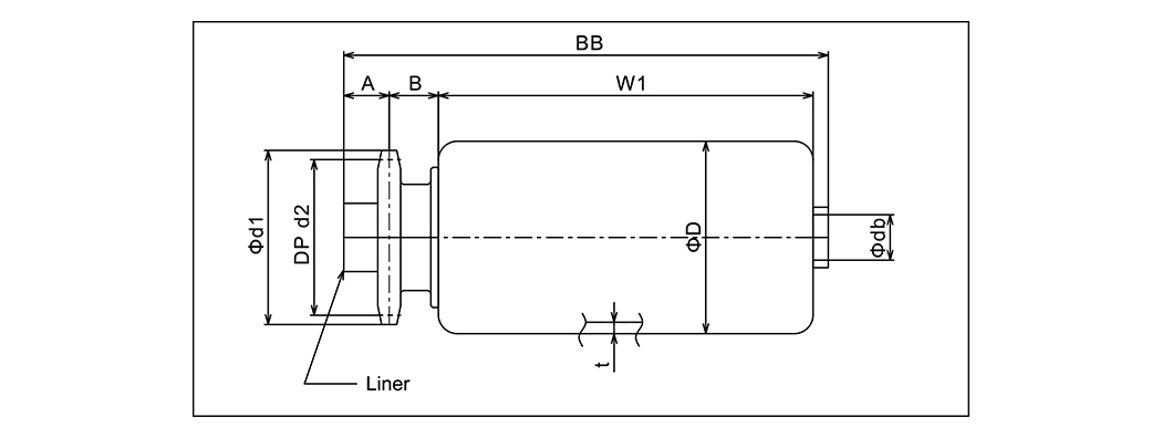
Beír Hengerméret Henger szélessége Hengeres anyag...
| Beír | Hengerméret | Henger szélessége | Hengeres anyag | Hordozó | Tengely átmérője | Bélésméret | Lánckerék | D1 | d2 | A | B | C | W1 | Bb |
| KR-384010SW | 38,1 × 2,3 | 100 ~ 800 | STKM | 6001ZZ · 6201Z | 12.0 | 18 × 12,2 × 53 | #40 × 10tsw | 46 | 41.1 | 12 | 23 | 18 | W-1 | W 58 |
| KR-424010SW | 42,7 × 2,3 | 100 ~ 800 | STKM | 6001ZZ · 6201Z | 12.0 | 18 × 12,2 × 53 | #40 × 10tsw | 46 | 41.1 | 12 | 23 | 18 | W | W 58 |
| KR-484010SW | 48,6 × 3,5 | 100 ~ 800 | SGP40A | 6001ZZ · 6201Z | 12.0 | 18 × 12,2 × 53 | #40 × 10tsw | 46 | 41.1 | 12 | 23 | 15 | W 5 | W 58 |
| KR-504010SW | 50,8 × 1,6 | 100 ~ 800 | STKM | 6001ZZ · 6201Z | 12.0 | 18 × 12,2 × 53 | #40x10tsw | 46 | 41.1 | 12 | 23 | 18 | W-1 | W 58 |
| KR-574010SW | 57,1 × 2,1 | 100 ~ 1000 | STKM | 6001ZZ · 6201Z | 12.0 | 18 × 12,2 × 53 | #40 × 10tsw | 46 | 41.1 | 12 | 23 | 18 | W | W 58 |
| KR-604010SW | 60,5 × 2,3 | 100 ~ 1000 | STKM | 6001ZZ · 6201Z | 12.0 | 18 × 12,2 × 53 | #40 × 10tsw | 46 | 41.1 | 12 | 23 | 18 | W | W 58 |
| KR-605011SW | 60,5 × 3,8 | 100 ~ 1000 | SGP50A | 6002ZZ | 15.0 | 21x15.2 × 66,5 · 21 × 15,2x12 | #50 × 11tsw | 63 | 56.35 | 20 | 25 | 18 | W 3 | W 7 |
| KR-765011SW | 76,3 × 4,2 | 100 ~ 1000 | SGP65A | 6002ZZ | 15.0 | 21 × 15,2 × 66,5 · 21 × 15,2 × 12 | #50 × 11tsw | 63 | 56.35 | 20 | 25 | 18 | W 2 | W 73 |
| KR-605013SW | 60,5 × 3,8 | 100 ~ 1000 | SGP50A | 6004ZZ | 20.0 | 29 × 20,2 × 63,5 · 29 × 20,2 × 15 | #50 × 13TSW | 73 | 66.34 | 20 | 25 | 18 | W 1 | W 73 |
| KR-765013SW | 76,3 × 4,2 | 100 ~ 1000 | SGP65A | 600422 | 20.0 | 29 × 20,2 × 63,5 · 29 × 20,2x15 | #50 × 13TSW | 73 | 66.34 | 20 | 25 | 18 | W 2 | W 73 |
| KR-895013SW | 89,1 × 4,2 | 100 ~ 1000 | SGP80A | 6004ZZ | 20.0 | 29 × 20,2 × 63,5 · 29 × 20,2 × 15 | #50 × 13TSW | 73 | 66.34 | 20 | 25 | 18 | W | W 73 |

Beír Hengerméret Hengerszélesség Hengermatenál ...
| Beír | Hengerméret | Hengerszélesség | Hengermatenál | Bearng | Tengely átmérője | Lánckerék | D1 | d2 | d3 | A | L | Bb | P1 | P2 | P3 | P4 |
| KPR-574015SW | 57,2 × 2,6 | 300 ~ 2000 | STKM | UCPA204 | 25xW 152 | #40 × 15TSW | 67 | 61.08 | 20 | 33 | W 152 | W 86 | 24 | 23 | 17 | 22 |
| KPR-604015SW | 60,5 × 3,8 | 300 ~ 2000 | STKM | UCPA204 | 25xW 152 | #40 × 15TSW | 67 | 61.08 | 20 | 33 | W 152 | W 86 | 24 | 23 | 17 | 22 |
| KPR-765013SW | 76,3 × 4,2 | 300 ~ 2000 | SGP65A | UCPA204 | 25xW 163 | #50 × 13TSW | 73 | 66.34 | 20 | 33 | W 163 | W 97 | 32 | 25 | 18 | 22 |
| KPR-895013SW | 89,1 × 4,2 | 300 ~ 2000 | SGP80A | UCPA206 | 35xW 169 | #50 × 13TSW | 73 | 66.34 | 30 | 39 | W 169 | W 91 | 29 | 25 | 18 | 19 |
| KPR-1015018SW | 101,6 × 4,5 | 300 ~ 2000 | SGP90A | UCPA206 | 35xW 169 | #50 × 18tsw | 98 | 91.42 | 30 | 39 | W 169 | W 91 | 29 | 25 | 18 | 19 |
| KPR-1145018SW | 114,3 × 4,5 | 300 ~ 2000 | SGP100A | UCPA206 | 35xW 169 | #50 × 18tsw | 98 | 91.42 | 30 | 39 | W 169 | W 91 | 29 | 25 | 18 | 19 |
| KPR-1405018SW | 139,8 × 4,5 | 300 ~ 2000 | SGP125A | UCPA206 | 35xW 169 | #50 × 18tsw | 98 | 91.42 | 30 | 39 | W 169 | W 91 | 29 | 25 | 18 | 19 |

Beír Hengerméret Henger szélessége Hengeres anyag...
| Beír | Hengerméret | Henger szélessége | Hengeres anyag | Hordozó | Tengely átmérője | Bélésméret | Lánckerék | |||||
| MAC-CN384010S | 38,1 × 2,3 | 100 ~ 800 | STKM | 6001ZZ · 6201Z | 12.0 | 18 × 12,2 × 17 | #40 × 10TS | |||||
| MAC-CN424010S | 42,7 × 2,3 | 100 ~ 1000 | STKM | 6001ZZ · 6201Z | 12.0 | 18x12.2 × 17 | #40 × 10TS | |||||
| MAC-CN484010S | 48,6 × 3,5 | 100 ~ 1000 | SGP40A | 60012Z · 6201Z | 12.0 | 18 × 12,2 × 17 | #40 × 10TS | |||||
| MAC-CN504010S | 50,8 × 1,6 | 100 ~ 1000 | STKM | 6001ZZ · 6201Z | 12.0 | 18 × 12,2 × 17 | #40 × 10TS | |||||
| MAC-CN574010S | 57,1 × 2,1 | 100 ~ 1000 | STKM | 6001ZZ · 6201Z | 12.0 | 18 × 12,2 × 17 | #40 × 10TS | |||||
| MAC-CN604010S | 60,5 × 2,3 | 100 ~ 1000 | STKM | 6001ZZ · 6201Z | 12.0 | 18 × 12,2 × 17 | #40 × 10TS | |||||
| Beír | Hengerméret | Henger szélessége | Hengeres anyag | Hordozó | Tengely átmérője | Lánckerék | ||||||
| MAC-CS384010S | 38,1 × 2,3 | 100 ~ 800 | STKM | 6001ZZ · 6201Z | 12.0 | #40 × 10TS | ||||||
| MAC-CS424010S | 42,7 × 2,3 | 100 ~ 1000 | STKM | 6001ZZ · 6201Z | 12.0 | #40 × 10TS | ||||||
| MAC-CS484010S | 48,6 × 3,5 | 100 ~ 1000 | SGP40A | 6001ZZ · 6201Z | 12.0 | #40 × 10TS | ||||||
| MAC-CS504010S | 50,8 × 1,6 | 100 ~ 1000 | STKM | 6001ZZ · 6201Z | 12.0 | #40 × 10TS | ||||||
| MAC-CS574010S | 57,1 × 2,1 | 100 ~ 1000 | STKM | 6001ZZ · 6201Z | 12.0 | #40 × 10TS | ||||||
| MAC-CS604010S | 60,5 × 2,3 | 100 ~ 1000 | STKM | 6001ZZ · 6201Z | 12.0 | #40 × 10ts | ||||||

Beír Hengerméret Henger szélessége Hengeres anyag...
| Beír | Hengerméret | Henger szélessége | Hengeres anyag | Hordozó | Tengely átmérője | Bélésméret | Lánckerék |
| MAC-CN384010SW | 38,1 × 2,3 | 100 ~ 800 | STKM | 6001Z · 6201Z | 12.0 | 18 × 12,2 × 17 | #40 × 10TS |
| MAC-CN424010SW | 42,7 × 2,3 | 100 ~ 1000 | STKM | 6001ZZ · 6201Z | 12.0 | 18 × 12,2 × 17 | #40 × 10TS |
| MAC-CN484010SW | 48,6 × 3,5 | 100 ~ 1000 | SGP40A | 6001ZZ · 6201Z | 12.0 | 18 × 12,2 × 17 | #40 × 10TS |
| MAC-CN504010SW | 50,8 × 1,6 | 100 ~ 1000 | STKM | 6001Z · 6201Z | 12.0 | 18 × 12,2 × 17 | #40 × 10TS |
| MAC-CN574010SW | 57,1 × 2,1 | 100 ~ 1000 | STKM | 6001ZZ · 6201Z | 12.0 | 18 × 12,2 × 17 | #40 × 10TS |
| MAC-CN604010SW | 60,5 × 2,3 | 100 ~ 1000 | STKM | 6001ZZ · 6201Z | 12.0 | 18 × 12,2 × 17 | #40 × 10ts |

Beír Hengerméret Henger szélessége Hengeres anyag...
| Beír | Hengerméret | Henger szélessége | Hengeres anyag | Hordozó | Tengely átmérője | Bélésméret | Lánckerék | D1 | d2 |
| MAC-CN605010SW | 60,5 × 2,3 | 100 ~ 1000 | STKM | 6002Z7 · 61902Z | 15.0 | 20 × 15,2 × 16 | #50 × 10TS | 57.43 | 51.37 |
| MAC-CN765013SW | 76,3 × 2.0 | 100 ~ 1000 | STKM | 6204ZZ · 61904Z | 20.0 | 25 × 20,2 × 22 | #50 × 13TS | 73 | 66.34 |

R központ 1000 Teljes hossza Henger széle...
| R központ | 1000 | Teljes hossza | Henger szélessége | Széles szállítószalag | Keskeny út | Nagy átmérőjű | Henger terhelése | Henger súlya | |||
| Lánckerék | #40 × 10tsw | (∅) | Vastagság | (∅) | Vastagság | ||||||
| W Roller szélesség | 200 ~ 600 | 258 | 200 | 260 | 51.5 | 3.0 | 62.5 | 2.6 | 1842 | 1236 | |
| Hengeres anyag | STKM | 358 | 300 | 360 | 48.8 | 3.0 | 65.2 | 2.6 | 1215 | 1643 | |
| Beánás | 6001ZZ · 6201Z | 458 | 400 | 460 | 46.0 | 3.1 | 68.0 | 2.6 | 911 | 2050 | |
| db tengely átmérőjű | 12.0 | 558 | 500 | 560 | 43.3 | 3.2 | 70.7 | 2.4 | 725 | 2456 | |
| DC × DC × LC/bélés méret | 18 × 12,2 × 53 · 18 × 12,2 × 7 | 658 | 600 | 660 | 41.3 | 3.3 | 74.0 | 2.3 | 597 | 2863 | |
| R központ | 1200 | Teljes hossza | Henger szélessége | Széles szállítószalag | Keskeny út | Nagy átmérőjű | Henger terhelése | Henger súlya | |||
| Lánckerék | #40 × 10tsw | (∅) | Vastagság | (∅) | Vastagság | ||||||
| W Roller szélesség | 200 ~ 600 | 258 | 200 | 260 | 52.1 | 2.9 | 61.9 | 2.5 | 1842 | 1.132 | |
| Hengeres anyag | STKM | 358 | 300 | 360 | 49.7 | 3.0 | 64.3 | 2.4 | 1215 | 1487 | |
| Beánás | 6001ZZ · 6201Z | 458 | 400 | 460 | 47.3 | 3.1 | 65.7 | 2.4 | 911 | 1842 | |
| db tengely átmérőjű | 12.0 | 558 | 500 | 560 | 45.0 | 3.2 | 69.2 | 2.8 | 725 | 2197 | |
| DC × DC × LC/bélés méret | 18 × 12,2 × 53 · 18 × 12,2 × 7 | 658 | 600 | 660 | 45.0 | 3.2 | 74.0 | 2 | 597 | 2552 | |
| R központ | 1500 | Teljes hossza | Henger szélessége | Széles szállítószalag | Keskeny út | Nagy átmérőjű | Henger terhelése | Henger súlya | |||
| Lánckerék | #40 × 10tsw | (∅) | Vastagság | (∅) | Vastagság | ||||||
| W Roller szélesség | 200 ~ 600 | 258 | 200 | 260 | 52.6 | 2.7 | 61.4 | 2.8 | 1842 | 1233 | |
| Hengeres anyag | STKM | 358 | 300 | 360 | 50.4 | 2.9 | 63.6 | 2.7 | 1215 | 1645 | |
| Beánás | 6001ZZ · 6201Z | 458 | 400 | 460 | 48.0 | 3.1 | 65.4 | 2.4 | 911 | 2046 | |
| db tengely átmérőjű | 12.0 | 558 | 500 | 560 | 48.0 | 3.4 | 69.8 | 2.4 | 725 | 2452 | |
| DC × DC × LC/bélés méret | 18 × 12,2 × 53 · 18 × 12,2 × 7 | 658 | 600 | 660 | 48.0 | 3.1 | 74.0 | 2.1 | 597 | 2.86 | |
| R központ | 2000 | Teljes hossza | Henger szélessége | WDE szállítószalag | Keskeny út | Nagy átmérőjű | Henger terhelése | Henger súlya | |||
| Lánckerék | #40 × 10tsw | (∅) | Vastagság | (∅) | Vastagság | ||||||
| W Roller szélesség | 400 ~ 800 | 458 | 400 | 460 | 50.0 | 3.0 | 62.5 | 2.3 | 911 | 1990 | |
| Hengeres anyag | STKM | 558 | 500 | 560 | 50.0 | 3.0 | 65.6 | 2.2 | 725 | 2398 | |
| Beánás | 6001ZZ · 6201Z | 658 | 600 | 660 | 50.0 | 3.0 | 68.8 | 2.2 | 597 | 2797 | |
| db tengely átmérőjű | 12.0 | 758 | 700 | 760 | 50.0 | 3.0 | 71.9 | 2.1 | 519 | 3210 | |
| DC × DC × LC/bélés méret | 18 × 12,2 × 53 · 18 × 12,2 × 7 | 858 | 800 | 860 | 50.0 | 3.0 | 75.0 | 2.0 | 450 | 3620 | |

R központ 500 Teljes hossza Henger széles...
| R központ | 500 | Teljes hossza | Henger szélessége | Széles szállítószalag | Keskeny út | Nagy átmérőjű | |
| Lánckerék | #40 × 10tsw | (∅) | (∅) | ||||
| W Roller szélesség | 300 ~ 700 | 328 | 300 | 330 | 42.7 | 60 | |
| Hengeres anyag | STKM | 428 | 400 | 430 | 42.7 | 65 | |
| Beánás | 6001ZZ · 6201Z | 528 | 500 | 530 | 42.7 | 75 | |
| db tengely átmérőjű | 12.0 | 628 | 600 | 630 | 42.7 | 80 | |
| DC × DC × LC/bélés méret | 18 × 12,2 × 27 · 18 × 12,2 × 7 | 728 | 700 | 730 | 42.7 | 89 |
| R központ | 900 | Teljes hossza | Henger szélessége | Széles szállítószalag | Keskeny út | Nagy átmérőjű | |
| Lánckerék | #40 × 10tsw | (∅) | (∅) | ||||
| W Roller szélesség | 300 ~ 700 | 328 | 300 | 330 | 42.7 | 56 | |
| Hengeres anyag | STKM | 428 | 400 | 430 | 42.7 | 60 | |
| Beánás | 6001ZZ · 6201Z | 528 | 500 | 530 | 42.7 | 65 | |
| db tengely átmérőjű | 12.0 | 628 | 600 | 630 | 42.7 | 70 | |
| DC × DC × LC/bélés méret | 18 × 12,2 × 27 · 18 × 12,2 × 7 | 728 | 700 | 730 | 42.7 | 75 |
| R központ | 900 | Teljes hossza | Henger szélessége | széles szállítószalag | Keskeny út | Nagy átmérőjű | |
| Lánckerék | #40 × 10tsw | (∅) | (∅) | ||||
| W Roller szélesség | 800 ~ 1000 | 828 | 800 | 830 | 42.7 | 65 | |
| Hengeres anyag | STKM | 928 | 900 | 930 | 42.7 | 70 | |
| Beánás | 6001ZZ · 6201Z | 1028 | 1000 | 1030 | 42.7 | 75 | |
| db tengely átmérőjű | 12.0 | ||||||
| DC × DC × LC/bélés méret | 18 × 12,2 × 27 · 18 × 12,2 × 7 |

Beír Hengerméret Henger szélessége Hengeres anyag...
| Beír | Hengerméret | Henger szélessége | Hengeres anyag | Hordozó | Tengely átmérője | Polipai szíjtárcsa |
| DQR-3812 | 38,1 × 12 | 100 ~ 1000 | STKM | 6001ZZ | 12.0 | Q235 |
| DQRS-3815 | 38,1 × 1,5 | 100 ~ 1000 | SUS304/201 | 6001ZZ | 12.0 | Q235/SU |
| DQR-5015 | 50,8 × 1,5 | 100 ~ 1000 | STKM | 6002ZZ | 12.0 | Gyanta |
| DQRS-5015 | 50 × 1,5 | 100 ~ 1000 | SUS304/201 | 6002ZZ | 12.0 | Gyanta |
| DQR-5721 | 57,2 × 2,1 | 100 ~ 1000 | STKM | 6001ZZ | 12.0 | Q235 |
| DQR-6023 | 60,5 × 2,3 | 100 ~ 1000 | STKM | 6002ZZ | 12.0 | Q235 |
| DQRS-6020 | 60 × 2,0 | 100 ~ 1000 | SUS304/201 | 6002ZZ | 12.0 | Q235/sus/gyanta |
| DQR-7620 | 76,3 × 2.0 | 100 ~ 1000 | STKM | 6001ZZ | 12.0 | Q235 |
| DQRS-7620 | 76 × 2,0 | 100 ~ 1000 | SUS304/201 | 6001ZZ | 12.0 | Q235/SUS |

Beír Hengerméret Henger szélessége Hengeres anyag...
| Beír | Hengerméret | Henger szélessége | Hengeres anyag | Hordozó | Tengely átmérője | Vnbbed Pully |
| VR-3812 | 38,1 × 1,2 | 100 ~ 1000 | STKM | 6001ZZ | 12.0 | Q235 |
| VRS-3815 | 38 × 1,5 | 100 ~ 1000 | SUS304/201 | 6001ZZ | 12.0 | Q235/SU |
| VR-5015 | 50,8 × 1,5 | 100 ~ 1000 | STKM | 6001ZZ | 12.0 | Q235 |
| VRS-5015 | 50 × 1,5 | 100 ~ 1000 | SUS304/201 | 6001ZZ | 12.0 | Q235/SU |
| VR-5721 | 57,2 × 2,1 | 100 ~ 1000 | STKM | 6001ZZ | 12.0 | Q235 |
| VR-6023 | 60,5 × 2,3 | 100 ~ 1000 | STKM | 6001ZZ | 12.0 | Q235 |
| VRS-6020 | 60 × 2,0 | 100 ~ 1000 | SUS304/201 | 6001ZZ | 12.0 | Q235/SU |
| VR-7620 | 76,3 × 2.0 | 100 ~ 1000 | STKM | 6001ZZ | 12.0 | Q235 |
| VRS-7620 | 76 × 2,0 | 100 ~ 1000 | SUS304/201 | 6001ZZ | 12.0 | Q235/SUS |

Beír Hengerméret Henger szélessége Hengeres anyag...
| Beír | Hengerméret | Henger szélessége | Hengeres anyag | Tengely átmérője | Hordozó |
| OR-3812 | 38,1 × 1,2 | 100 ~ 1000 | STKM | 12.0 | SS |
| ORS-3815 | 38,1 × 1,5 | 100 ~ 1000 | SUS304/201 | 12.0 | Ss/sus |
| OR-4214 | 42,7 × 1,4 | 100 ~ 1000 | STKM | 12.0 | SS |
| OR-5015 | 50,8 × 1,5 | 100 ~ 1000 | STKM | 12.0 | SS |
| ORS-5015 | 50 × 1,5 | 100 ~ 1000 | SUS304/201 | 12.0 | SS/gyanta |
| OR-5721 | 57,2 × 2,1 | 100 ~ 1000 | STKM | 12.0 | SS |
| OR-6023 | 60,5 × 2,3 | 100 ~ 1000 | STKM | 12.0 | SS |
| ORS-6020 | 60 × 2,0 | 100 ~ 1000 | SUS304/201 | 12.0 | SS/RENSIN |
Miért befolyásolja közvetlenül a görgős szállítószalag karbantartása a rendszer élettartamát? ...
További információMitől lesz egy görgős szállítószalag igazán nagy teherbírású? A nagy teherbírású görgős ...
További információMik azok a görgős szállítószalagok, és miért számít a típus? Görgős szállítószalagok...
További információMiért maradnak a görgős szállítószalagok az anyagmozgatás gerince? Görgős szállítósz...
További információSzállítószalagos rendszerek nap mint nap több millió tonna anyagot szállítanak át gyá...
További információA Wuxi huqian termék előnyei Hajtott henger : Magas tartósság és terheléshordozó kapacitás
A Wuxi Huiqian Logistics Machinery Manufacturing Co., Ltd, a fejlett japán logisztikai technológia integrációjáról híres, az innováció élvonalában áll az anyagkezelő iparban. A társaság a kiváló minőségű logisztikai berendezések széles skálájának előállítására szakosodott hajtott henger , görgős szállítószalagok és különféle egyéb kritikus alkatrészek. A pontossággal, a megbízhatósággal és a teljesítménygel kapcsolatos kompenzációval a Wuxi Huiqian által vezérelt hengereket úgy tervezték, hogy megfeleljenek az iparágak különféle igényeinek, amelyek a hatékony és megbízható anyagkezelő rendszerekre támaszkodnak.
A hajtott hengerek döntő szerepet játszanak számos logisztikai és gyártási folyamatban. Akár nagy, nehéz tárgyak vagy kis csomagok mozgatására, ezek a görgők szerves részét képezik az automatizált rendszerekhez, amelyek korszerűsítik a munkafolyamatokat és növelik a hatékonyságot. A Wuxi Huiqian hajtott hengereit, beleértve a lánckerék -meghajtóhengereket és a kúpos meghajtóhengereket, a tartósság és az optimális teljesítmény érdekében fejlesztették ki a különféle működési környezetben. A fejlett anyagok, a legmodernebb technológia és a testreszabható minták kombinációja miatt ezek a görgők preferált választássá válnak az iparágak számára az egész világon.
Wuxi Huiqian hajtott henger Úgy tervezték, hogy ellenálljon a nehéz terheléseknek és a folyamatos felhasználásnak az igényes környezetben. A görgőket nagy szilárdságú anyagok, például acél és rozsdamentes acélból készítik, amelyek szigorú körülmények között is biztosítják a tartós teljesítményt. Ezen anyagok robusztussága garantálja, hogy a görgők képesek kezelni a változó terhelési kapacitást, a könnyű ipari alkatrészektől a nehéz gépek alkatrészeiig, anélkül, hogy veszélyeztetnék a szerkezeti integritásukat.
Különösen a lánckerék-hajtóhengerek tartós, kiváló minőségű acélból készülnek, hogy ellenálljanak annak, hogy ellenálljanak a szállítószalagokhoz szükséges nyomatéknak. Hasonlóképpen, a kúpos meghajtóhengerek, amelyek szöggel vannak megtervezve, hogy megkönnyítsék a sima működést, szintén nagy szilárdság és stabilitás mutatkozik nehéz terhelési körülmények között. A fejlett anyagválaszték minimalizálja a kopást, javítva a görgők képességét, hogy meghosszabbított élettartam alatt teljesítsék.
A Wuxi Huiqian vezérelt görgők egyik legfontosabb előnye a sokoldalúság és az alkalmazkodóképességük a konkrét vevői igények teljesítéséhez. Az erős K + F csapattal a Helmnél a vállalat testreszabott megoldásokat fejleszthet ki, amelyek igazodnak az egyedi működési igényekhez. A hajtott hengerek méret, anyag és funkcionalitás szempontjából testreszabhatók, hogy megfeleljenek az alkalmazások széles skálájának. A Wuxi Huiqian szorosan együttműködik az ügyfelekkel szorosan együttműködve a görgő átmérőjének, hosszának, vagy speciális bevonatok hozzáadásának testreszabását, hogy a termék megegyezzen a pontos előírásokkal.
A testreszabott megoldások biztosításának képessége miatt ezek a meghajtott görgők ideálisak a különféle iparágak számára, ideértve az autóipari gyártást, az élelmiszer- és italgyártást, a raktározást, a logisztikát és az e-kereskedelmet. A görgők adaptálhatók ahhoz, hogy illeszkedjenek a különféle szállítószalagokhoz és gyártási vezetékekhez, így sokoldalú alkatrészré válnak minden anyagkezelési művelet során.
A Wuxi Huiqian a precíziós mérnöki magas színvonaláról ismert, amely elengedhetetlen a meghajtott görgők megbízható teljesítményének biztosításához. A vállalat fejlett CNC (számítógépes numerikus vezérlő) gépeket használ, hogy kivételes pontossággal előállítsa a hajtott görgőket. Ez a pontosság garantálja, hogy a görgőket az egyes egyedi alkalmazásokhoz szükséges pontos előírásokhoz állítják elő, minimalizálva a hibás vagy hatékonyság esélyét.
A CNC gépek használata azt is biztosítja, hogy a görgőket nagy mennyiségben következetesen gyártják, lehetővé téve a magas termelési előírások fenntartását és a hibák kockázatának csökkentését. A pontosság kiterjed a lánckerek és a kúpos funkciók kialakítására is, biztosítva, hogy ezek a kritikus alkatrészek zökkenőmentesen és zökkenőmentesen működjenek a végső összeszerelésben.
A Wuxi Huiqian hajtott hengereket úgy tervezték, hogy nagy működési hatékonyságot biztosítsanak, miközben minimális karbantartást igényelnek. A görgőket a súrlódás és a kopás csökkentésére tervezték, ami csökkenti a karbantartási feladatok gyakoriságát és meghosszabbítja a berendezés élettartamát. Ez a szolgáltatás különösen fontos azokban az iparágakban, ahol folyamatos működésre van szükség, és minimalizálni kell az állásidőt.
A lánckerék -hajtóhengereket összekapcsoló fogakkal tervezték, amelyek csökkentik a csúszást és javítják az energiaátvitelt, biztosítva, hogy a szállítószalag hatékonyan működjön még nagy terhelési körülmények között is. Hasonlóképpen, a kúpos hajtóhengereket úgy tervezték, hogy minimalizálják a szállítószalag vagy a környező alkatrészek károsodásának kockázatát, javítva a rendszer általános megbízhatóságát.
A Wuxi Huiqian által vezérelt görgők alacsony karbantartási kialakítása csökkenti a működési költségeket a karbantartási igények csökkentésével és a váratlan leállási lehetőségek csökkentésével. Ezenkívül a vállalat átfogó értékesítés utáni szolgáltatási rendszert kínál, biztosítva, hogy minden kérdés haladéktalanul megválaszolódjon, és hogy az ügyfelek fenntartsák felszerelésük zökkenőmentes működését.
A Wuxi Huiqian-ból származó hajtott görgőket energiahatékonynak tervezték, ami elengedhetetlen az anyagkezelő rendszerek működési költségeinek csökkentéséhez. A görgőket úgy tervezték, hogy minimalizálják az energiafogyasztást, miközben fenntartják a szállítószalagok vezetéséhez szükséges energiát. Ez az energiahatékonyságra való összpontosítás alacsonyabb villamosenergia -számlákat eredményez a vállalkozások számára, hozzájárulva az általános költségmegtakarításhoz és a környezeti fenntarthatósághoz.
Egy olyan korszakban, amikor a vállalkozások egyre inkább foglalkoznak környezeti hatással, a Wuxi Huiqian által vezérelt görgők energiahatékony kialakítása biztosítja, hogy a vállalatok fenntartható módon működhessenek a teljesítmény vagy a megbízhatóság feláldozása nélkül.
A láncolási rendszerek a láncszer -meghajtóhengerek az egyik leggyakrabban használt hajtott hengerek a szállítószalagban. Ezeket a hengereket úgy tervezték, hogy egy lánc hajtja, és lánckerékkel vannak felszerelve, amelyek összekapcsolódnak a láncba, biztosítva a sima és megbízható működést. A lánckerék-hajtóhengerekhez használt anyag jellemzően kiváló minőségű acél vagy rozsdamentes acél, amelyet az ereje, tartóssága és a láncmeghajtó által generált nyomaték kezelésére választottak.
A Wuxi Huiqian lánckerék -meghajtóhengereit pontos tűréscelásokkal tervezték annak biztosítása érdekében, hogy a lánckerek tökéletesen illeszkedjenek a lánchoz, minimalizálva a csúszást és a maximalizálva az energiaátvitelt. A hengereket úgy is kezelik, hogy ellenálljanak a kopásnak és a korróziónak, javítva a hosszú élettartamot és csökkentve a karbantartási igényeket. A nagy szilárdságú anyagok használata biztosítja, hogy ezek a görgők képesek kezelni a nehéz terheléseket, így alkalmassá teszik őket ipari alkalmazásokhoz a gyártásban, a csomagolásban és az elosztásban.
A kúpos meghajtóhengerek kúp alakú kialakításúak, amelyek lehetővé teszik az anyagok sima és hatékony mozgását a szállítószalagon. A kúp biztosítja, hogy az anyagok simán vezessék a szállítószalag mentén, csökkentve a súrlódást és javítva a rendszer általános hatékonyságát. A kúpos hajtóhengerekhez használt anyag általában rozsdamentes acél vagy nagy szilárdságú ötvözött acél, amely kiváló ellenállást biztosít a kopással és a korrózióval szemben, így különféle környezetekhez, beleértve az élelmiszer-feldolgozást, a gyógyszereket és a nehéz ipari felhasználást.
A kúpos kialakítás hozzájárul a henger azon képességéhez is, hogy kezelje a különböző méretű anyagokat és súlyokat, így ezek a görgők nagymértékben alkalmazkodnak az alkalmazásokhoz. A Wuxi Huiqian kúpos meghajtóhengereit pontossággal gyártják annak biztosítása érdekében, hogy a kúpos szög minden görgőben konzisztens legyen, és egységes teljesítményt nyújtson a teljes szállítószalag -rendszerben.
A rozsdamentes acél és az ötvözött acél használata meghajtott görgők építésében biztosítja azok tartósságát durva vagy korrozív környezetben. Ezek az anyagok nagyon ellenállóak a rozsda, a korrózió és a kopás szempontjából, és ideálisak azok számára az iparágak számára, ahol a görgők nedvesség, vegyi anyagok vagy más környezeti kihívásoknak vannak kitéve. Például az élelmiszer- és italipar, ahol a higiénia prioritás, előnyös a rozsdamentes acél hajtott görgők korrózióálló tulajdonságaiból.
Az anyagok korrózióálló tulajdonságai szintén elősegítik a szállítószalag integritásának fenntartását az idő múlásával, megakadályozva a költséges javításokat és biztosítva a következetes teljesítményt.
A Wuxi Huiqian Logistics Machinery Manufacturing Co., Ltd vezérelt hengerei, beleértve a Sprocket Drive és a kúpos meghajtó modelleket, jelentős előnyöket kínálnak a tartósság, a testreszabás, a precíziós tervezés és a hatékonyság szempontjából. A kiváló minőségű anyagok, például acél és rozsdamentes acél felhasználásával ezek a görgők tartós, alacsony karbantartási lehetőségeket kínálnak az iparágak számára, az autóipari gyártástól a logisztikáig és az élelmiszer-feldolgozásig. Az a képességük, hogy kezeljék a nehéz terheket, csökkentsék az energiafogyasztást és zökkenőmentesen működjenek az igényes környezetben, megbízható választássá teszik őket minden olyan vállalkozás számára, amely az anyagkezelő rendszerek optimalizálására törekszik.
A kivitelezés a jövőbe.
No.60, Zhenhu North Road, Hudai Town, Binhu kerület , Wuxi 214100, Kína
+86 139-2153-1116
+86-510-8558 1519/8558 1530
+86-510-8558 1520







