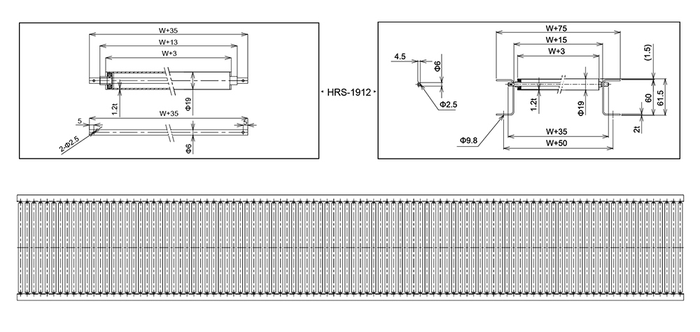
HRS-1210
Cat:Rozsdamentes acélhenger -szállítószalag
W szélessége w (mm) 100 200 300 400 ...
Fejlett struktúra, kiváló minőségű teljesítmény, könnyen használható, nagy megbízhatóság és tartósság.
A rozsdamentes acélgörgő -szállítószalagot általában az élelmiszer-, gyógyszeripari és vegyiparban használják. A keskeny meghatározás magában foglalja a teljes rozsdamentes acélból készült szállítószalagokat, beleértve hengereket, csapágyakat, tengelyeket, csavarokat, anyákat, kereteket és tartókat. Általánosságban, a rozsdamentes acélgörgő-szállítószalagoknak lehetnek néhány nem rozsdamentes acél alkatrész, mint az ügyfelek igényei, miközben továbbra is megtartják a rozsdamentes acél szerkezetet.

W szélessége w (mm) 100 200 300 400 ...
| W szélessége w (mm) | 100 | 200 | 300 | 400 | |
| W 45 (mm) szállítószalag szélessége | 145 | 245 | 375 | 445 | |
| Henger (kg) betöltése | 22 | 18 | 12 | 10 | |
| 1000L szállítószalag (kg) súlya | 15p | 5.5 | 8.9 | 12.2 | 15.6 |
| 20p | 4.5 | 7 | 9.6 | 12.2 | |
| A henger súlya (g) | 60 | 107 | 154 | 201 | |

W szélessége w (mm) 100 200 300 400 ...
| W szélessége w (mm) | 100 | 200 | 300 | 400 | 500 | |
| W 75 (mm) szállítószalag szélessége | 175 | 275 | 375 | 475 | 575 | |
| Henger (kg) betöltése | 30 | 21 | 14 | 10 | 7 | |
| 3000L szállítószalag (kg) súlya | 22p | 21.3 | 28.9 | 36.5 | 44.1 | 51.7 |
| 44p | 16.1 | 20.1 | 24.0 | 27.9 | 31.9 | |
| A henger súlya (g) | 85 | 130 | 183 | 237 | 290 | |

W szélessége w (mm) 100 200 300 400 ...
| W szélessége w (mm) | 100 | 200 | 300 | 400 | 500 | 600 | |
| W 45 (mm) szállítószalag szélessége | 175 | 275 | 375 | 475 | 575 | 675 | |
| Henger (kg) betöltése | 35 | 35 | 35 | 27 | 22 | 18 | |
| 2000L szállítószalag (kg) súlya | 30p | 15 | 21 | 27 | 32 | 39 | 45 |
| 50p | 12 | 15 | 19 | 23 | 27 | 30 | |
| A henger súlya (g) | 130 | 210 | 300 | 380 | 480 | 560 | |

W szélessége w (mm) 100 200 300 400 ...
| W szélessége w (mm) | 100 | 200 | 300 | 400 | 500 | 600 | |
| W 75 (mm) szállítószalag szélessége | 175 | 275 | 375 | 475 | 575 | 675 | |
| Henger (kg) betöltése | 75 | 70 | 46 | 35 | 28 | 23 | |
| 3000L szállítószalag (kg) súlya | 50p | 24.3 | 32.4 | 40.5 | 48.6 | 56.7 | 64.2 |
| 75p | 20 | 25.5 | 31.1 | 36.6 | 42.2 | 47.1 | |
| A henger súlya (g) | 217 | 345 | 473 | 601 | 729 | 857 | |

W szélessége w (mm) 100 200 300 400 ...
| W szélessége w (mm) | 100 | 200 | 300 | 400 | 500 | 600 | 700 | 800 | |
| W 75 (mm) szállítószalag szélessége | 175 | 275 | 375 | 475 | 575 | 675 | 775 | 875 | |
| Henger (kg) betöltése | 135 | 120 | 110 | 90 | 70 | 60 | 50 | 45 | |
| 3000L szállítószalag (kg) súlya | 75p | 29.8 | 38.2 | 42.7 | 51.2 | 59.7 | 67.5 | 75.9 | 80.4 |
| 100p | 25.9 | 32.3 | 35.8 | 42.3 | 48.7 | 54.6 | 61.0 | 64.4 | |
| A henger súlya (g) | 380 | 561 | 742 | 923 | 1104 | 1285 | 1466 | 1647 | |

W szélessége w (mm) 100 200 300 400 ...
| W szélessége w (mm) | 100 | 200 | 300 | 400 | 500 | 600 | 700 | 800 | |
| W 75 (mm) szállítószalag szélessége | 175 | 275 | 375 | 475 | 575 | 675 | 775 | 875 | |
| Henger (kg) betöltése | 128 | 112 | 96 | 80 | 63 | 52 | 47 | 43 | |
| 3000L szállítószalag (kg) súlya | 75p | 32.6 | 45.8 | 59 | 72.3 | 85.5 | 98.1 | 111.3 | 124.5 |
| 100p | 28 | 38 | 48 | 58.1 | 68.1 | 77.5 | 87.5 | 97.5 | |
| A henger súlya (g) | 467 | 776 | 1084 | 1392 | 1700 | 2008 | 2316 | 2624 | |

W szélessége w (mm) 100 200 300 400 ...
| W szélessége w (mm) | 100 | 200 | 300 | 400 | 500 | 600 | 700 | 800 | |
| W 75 (mm) szállítószalag szélessége | 175 | 275 | 375 | 475 | 575 | 675 | 675 | 675 | |
| Henger (kg) betöltése | 135 | 120 | 110 | 90 | 70 | 60 | 50 | 45 | |
| 3000L szállítószalag (kg) súlya | 75p | 37.4 | 53.5 | 69.5 | 85.7 | 101.7 | 117.1 | 133.2 | 149.2 |
| 100p | 31.6 | 43.8 | 55.9 | 68.1 | 80.3 | 91.8 | 103.9 | 116.0 | |
| A henger súlya (g) | 544 | 923 | 1302 | 1681 | 2060 | 2439 | 2818 | 3197 | |
Miért befolyásolja közvetlenül a görgős szállítószalag karbantartása a rendszer élettartamát? ...
További információMitől lesz egy görgős szállítószalag igazán nagy teherbírású? A nagy teherbírású görgős ...
További információMik azok a görgős szállítószalagok, és miért számít a típus? Görgős szállítószalagok...
További információMiért maradnak a görgős szállítószalagok az anyagmozgatás gerince? Görgős szállítósz...
További információSzállítószalagos rendszerek nap mint nap több millió tonna anyagot szállítanak át gyá...
További információA kivitelezés a jövőbe.
No.60, Zhenhu North Road, Hudai Town, Binhu kerület , Wuxi 214100, Kína
+86 139-2153-1116
+86-510-8558 1519/8558 1530
+86-510-8558 1520







