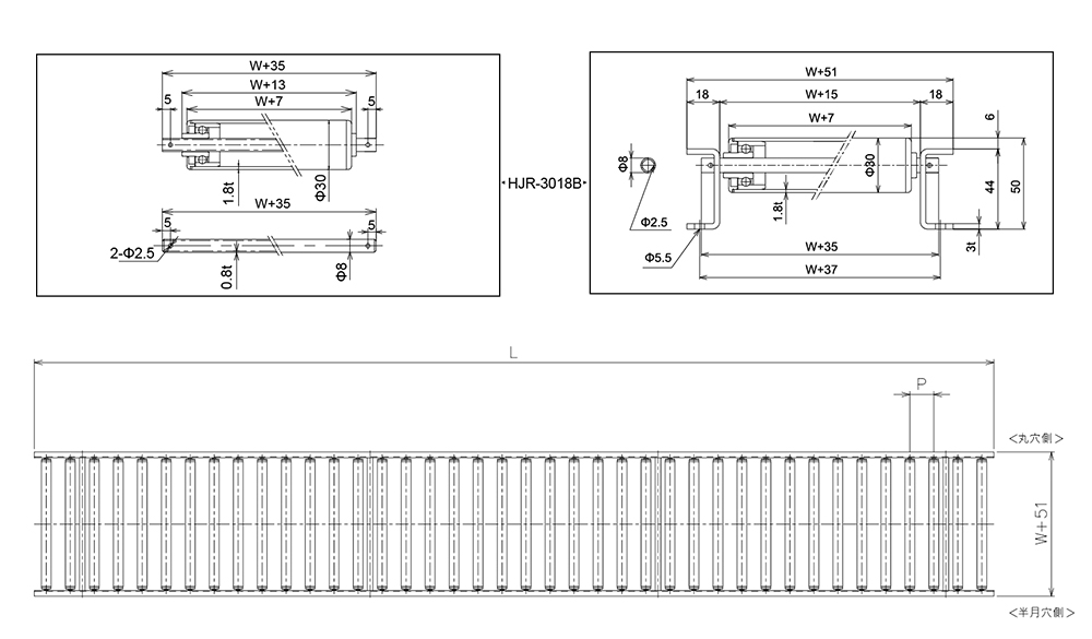
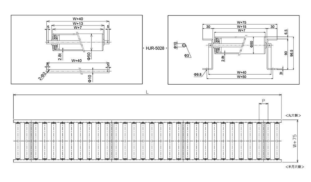
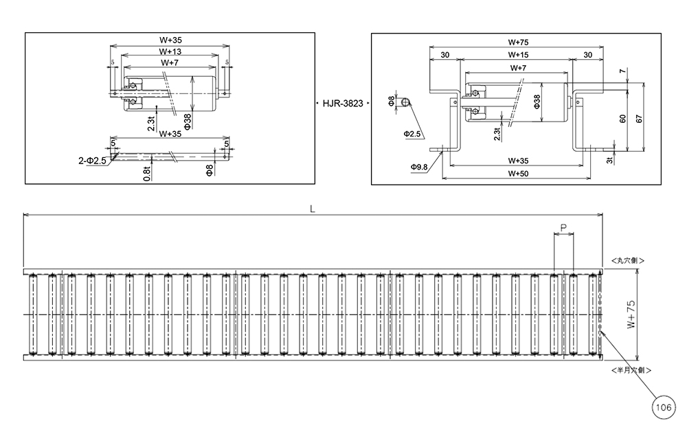
HJR-2015B
Cat:Gyantahordozó
W szélessége w (mm) 100 200 300 400 ...
Fejlett struktúra, kiváló minőségű teljesítmény, könnyen használható, nagy megbízhatóság és tartósság.
A gyantahenger -szállítószalagok általában PVC görgőket tartalmaznak, integrált gyantacsapágyat és tengelyt. A keretbeállítások magukban foglalják a porral bevont acélt, a rozsdamentes acélt vagy az alumíniumot. Ez a szállítószalag típusa alkalmas könnyű terhelésű tárgyakhoz, és alkalmazható az élelmiszer-, gyógyszeripari és vegyiparban is.

W szélessége w (mm) 100 200 300 400 ...
| W szélessége w (mm) | 100 | 200 | 300 | 400 | 500 | |
| W 45 (mm) szállítószalag szélessége | 145 | 245 | 345 | 445 | 545 | |
| Henger (kg) betöltése | 11.5 | 10.7 | 10 | 9.2 | 7.0 | |
| 2000L szállítószalag (kg) súlya | 25p | 4.3 | 6.4 | 8.5 | 10.7 | 12.8 |
| 30p | 3.8 | 5.7 | 7.5 | 9.4 | 11.3 | |
| A henger súlya (g) | 33 | 55 | 78 | 100 | 12.2 | |

W szélessége w (mm) 100 200 300 400 ...
| W szélessége w (mm) | 100 | 200 | 300 | 400 | |
| W 45 (mm) szállítószalag szélessége | 145 | 245 | 345 | 445 | |
| Henger (kg) betöltése | 13.5 | 12.6 | 12.5 | 11.8 | |
| 2000L szállítószalag (kg) súlya | 30p | 6.5 | 8.5 | 11 | 19 |
| 40p | 5 | 7.5 | 10 | 12.3 | |
| A henger súlya (g) | 50.5 | 75 | 115 | 145 | |

W szélessége w (mm) 100 200 300 400 ...
| W szélessége w (mm) | 100 | 200 | 300 | 400 | 500 | |
| W 51 (mm) szállítószalag szélessége | 151 | 251 | 351 | 451 | 551 | |
| Henger (kg) betöltése | 16.5 | 15.7 | 15 | 14.2 | 13.5 | |
| 1500L szállítószalag (kg) súlya | 40p | 7.2 | 10.8 | 14.5 | 18 | 21.7 |
| 50p | 6.2 | 9.2 | 12.2 | 15.1 | 18.2 | |
| A henger súlya (g) | 64 | 106 | 149 | 191 | 235 | |

W szélessége w (mm) 100 200 300 400 ...
| W szélessége w (mm) | 100 | 200 | 300 | 400 | 500 | |
| W 75 (mm) szállítószalag szélessége | 175 | 275 | 375 | 475 | 575 | |
| Henger (kg) betöltése | 21.5 | 20.8 | 20.1 | 19.5 | 18.6 | |
| 3000L szállítószalag (kg) súlya | 50p | 11.5 | 15.2 | 18.8 | 22.5 | 26.2 |
| 75p | 9.7 | 12.3 | 14.8 | 17.5 | 20.0 | |
| A henger súlya (g) | 91 | 145 | 199 | 253 | 307 | |

W szélessége w (mm) 100 200 300 400 ...
| W szélessége w (mm) | 100 | 200 | 300 | 400 | 500 | 600 | |
| W 75 (mm) szállítószalag szélessége | 175 | 275 | 375 | 475 | 575 | 675 | |
| Henger (kg) betöltése | 32 | 31 | 30 | 29.5 | 28.5 | 27.7 | |
| 3000L szállítószalag (kg) súlya | 75p | 13.5 | 17.7 | 22.0 | 26.1 | 30.5 | 34.1 |
| 100p | 12.1 | 15.3 | 18.6 | 21.9 | 25.2 | 27.8 | |
| A henger súlya (g) | 148 | 243 | 339 | 435 | 530 | 626 | |

W szélessége w (mm) 100 200 300 400 ...
| W szélessége w (mm) | 100 | 200 | 300 | 400 | 500 | 600 | |
| W 75 (mm) szállítószalag szélessége | 175 | 275 | 375 | 475 | 575 | 675 | |
| Henger (kg) betöltése | 35 | 34 | 33 | 30 | 29 | 28.5 | |
| 3000L szállítószalag (kg) súlya | 75p | 14.4 | 19.3 | 24.2 | 29.0 | 34.0 | 38.2 |
| 100p | 12.7 | 16.5 | 20.3 | 23.9 | 27.8 | 30.9 | |
| A henger súlya (g) | 172 | 283 | 395 | 506 | 617 | 728 | |
Miért befolyásolja közvetlenül a görgős szállítószalag karbantartása a rendszer élettartamát? ...
További információMitől lesz egy görgős szállítószalag igazán nagy teherbírású? A nagy teherbírású görgős ...
További információMik azok a görgős szállítószalagok, és miért számít a típus? Görgős szállítószalagok...
További információMiért maradnak a görgős szállítószalagok az anyagmozgatás gerince? Görgős szállítósz...
További információSzállítószalagos rendszerek nap mint nap több millió tonna anyagot szállítanak át gyá...
További információA kivitelezés a jövőbe.
No.60, Zhenhu North Road, Hudai Town, Binhu kerület , Wuxi 214100, Kína
+86 139-2153-1116
+86-510-8558 1519/8558 1530
+86-510-8558 1520







