HR-TC220
Cat:Kúphenger -szállító
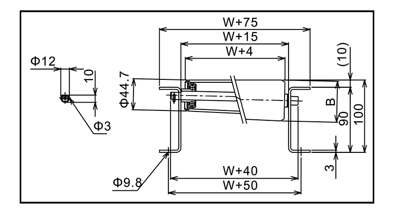
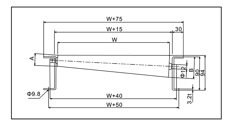
Szélesség w (mm) 200 A (φ) Átmérő ...
Fejlett struktúra, kiváló minőségű teljesítmény, könnyen használható, nagy megbízhatóság és tartósság.
A görbe görgős szállítószalag néven is ismert, a kúphenger -szállítószalag 30, 45, 60, 90 és 180 fokos fordulási szöget tesz lehetővé. Elsősorban a szállítószalagok irányváltozására használják, 30, 45 és 60 fokos, gyakran használják az elágazó és egyesítik a szállítószalagokat. Ez a szállítószalag könnyű típusú, általában nem haladja meg a 200 kg -ot.
| R -tól | Típus \ Szélesség | 200 | 300 | 400 | 500 | 600 | 700 | 800 | 900 | 1000 | 1100 | 1200 | Hengerlelőhely |
| 220 | HR-TC220 | ○ | - | - | - | - | - | - | - | - | - | - | 50,75,100 |
| 320 | HR-TC320 | - | ○ | - | - | - | - | - | - | - | - | - | 50,75,100 |
| 500 | HR-TC500A | - | ○ | ○ | ○ | ○ | ○ | - | - | - | - | - | 75 |
| 700 | HR-TC700 | ○ | ○ | ○ | ○ | ○ | - | - | - | - | - | - | 75 100,150 |
| 900 | HR-TCN | - | ○ | ○ | ○ | ○ | ○ | ○ | - | - | - | - | 75 100,150 |
| HR-TC900 | ○ | ○ | ○ | ○ | ○ | - | - | - | - | - | - | 75 100,150 | |
| HR-TC900A | - | ○ | ○ | ○ | ○ | ○ | ○ | - | - | - | - | 75,100 | |
| HR-TCL | - | - | - | - | - | - | - | ○ | ○ | ○ | ○ | 75 100,150 200 | |
| 1200 | HR-TC1200 | ○ | ○ | ○ | ○ | ○ | - | - | - | - | - | - | 75 100,150 |
| HR-TC1200A | - | - | - | - | - | - | ○ | ○ | ○ | ○ | ○ | 75.100 | |
| 1600 | HR-TC1600 | - | - | ○ | ○ | ○ | ○ | ○ | - | - | - | - | 75,100,150,200 |

Szélesség w (mm) 200 A (φ) Átmérő ...
| Szélesség w (mm) | 200 | |
| A (φ) | Átmérő | 31.3 |
| Vastagság | 3.5 | |
| B (φ) | Átmérő | 60.5 |
| Vastagság | 2.0 | |
| A henger (kg) betöltése | 100 | |

Szélesség w (mm) 300 A (φ) Átmérő ...
| Szélesség w (mm) | 300 | |
| A (φ) | Átmérő | 31.2 |
| Vastagság | 3.6 | |
| B (φ) | Átmérő | 60.5 |
| Vastagság | 2.1 | |
| A henger (kg) betöltése | 100 | |

Szélesség w (mm) 300 400 500 600 ...
| Szélesség w (mm) | 300 | 400 | 500 | 600 | 700 | 800 | |
| A (φ) | Átmérő | 42.7 | 42.7 | 42.7 | 42.7 | 42.7 | 42.7 |
| Vastagság | 3.2 | 3.2 | 3.1 | 3.1 | 3.1 | 3.1 | |
| B (φ) | Átmérő | 56.8 | 61.3 | 66.4 | 71.3 | 76.2 | 80.0 |
| Vastagság | 2.1 | 2.1 | 2.1 | 2.1 | 2.0 | 2.0 | |
| A henger (kg) betöltése | 100 | 90 | 85 | 76 | 59 | 54 | |

Szélesség w (mm) 900 1000 1100 1200 ...
| Szélesség w (mm) | 900 | 1000 | 1100 | 1200 | |
| A (φ) | Átmérő | 42.7 | 42.7 | 42.7 | 42.7 |
| Vastagság | 3.5 | 3.8 | 4.5 | 4.5 | |
| B (φ) | Átmérő | 86.7 | 91.0 | 95.3 | 100.0 |
| Vastagság | 2.0 | 1.8 | 2.0 | 1.8 | |
| A henger (kg) betöltése | 110 | 95 | 87 | 80 | |

Szélesség w (mm) 200 300 400 500 ...
| Szélesség w (mm) | 200 | 300 | 400 | 500 | 600 | |
| A (φ) | Átmérő | 41.3 | 41.3 | 41.3 | 41.3 | 41.3 |
| Vastagság | 3.3 | 3.3 | 3.3 | 3.3 | 3.3 | |
| B (φ) | Átmérő | 52.2 | 57.6 | 63.1 | 68.6 | 74.0 |
| Vastagság | 2.5 | 2.4 | 2.4 | 2.3 | 2.3 | |

Szélesség w (mm) 200 300 400 500 ...
| Szélesség w (mm) | 200 | 300 | 400 | 500 | 600 | |
| A (φ) | Átmérő | 45.0 | 45.0 | 45.0 | 45.0 | 45.0 |
| Vastagság | 3.2 | 3.2 | 3.2 | 3.2 | 3.2 | |
| B (φ) | Átmérő | 54.9 | 59.9 | 64.9 | 69.8 | 74.8 |
| Vastagság | 2.2 | 2.2 | 2.1 | 2.1 | 2.0 | |

Szélesség w (mm) 200 300 400 500 ...
| Szélesség w (mm) | 200 | 300 | 400 | 500 | 600 | |
| A (φ) | Átmérő | 48.0 | 48.0 | 48.0 | 48.0 | 48.0 |
| Vastagság | 3.1 | 3.1 | 3.1 | 3.1 | 3.1 | |
| B (φ) | Átmérő | 56.8 | 61.2 | 65.7 | 70.1 | 74.5 |
| Vastagság | 2.3 | 2.3 | 2.2 | 2.2 | 2.1 | |

Szélesség w (mm) 400 500 600 700 ...
| Szélesség w (mm) | 400 | 500 | 600 | 700 | 800 | |
| A (φ) | Átmérő | 50.0 | 50.0 | 50.0 | 50.0 | 50.0 |
| Vastagság | 3.0 | 3.0 | 3.0 | 3.0 | 3.0 | |
| B (φ) | Átmérő | 63.0 | 66.3 | 69.5 | 72.8 | 76.0 |
| Vastagság | 2.3 | 2.2 | 2.2 | 2.1 | 2.0 | |

Szélesség w (mm) 300 400 500 600 ...
| Szélesség w (mm) | 300 | 400 | 500 | 600 | 700 | 800 | |
| A (φ) | Átmérő | 42 | 42 | 42 | 42 | 42 | 42 |
| Vastagság | 2 | 2 | 2 | 2 | 2 | 2 | |
| B (φ) | Átmérő | 79 | 91 | 103 | 116 | 128 | 140 |
| Vastagság | 20.5 | 26.5 | 32.5 | 39.0 | 45.0 | 51.0 | |

Szélesség w (mm) 200 300 400 500 ...
| Szélesség w (mm) | 200 | 300 | 400 | 500 | 600 | 700 | |
| A (φ) | Átmérő | 44.7 | 44.7 | 44.7 | 44.7 | 44.7 | 44.7 |
| Vastagság | 3.5 | 3.5 | 3.5 | 3.5 | 3.5 | 3.5 | |
| B (φ) | Átmérő | 54.6 | 59.6 | 64.5 | 69.5 | 74.4 | 75 |
| Vastagság | 2.4 | 2.3 | 2.3 | 2.2 | 2.2 | 2.2 | |

Beír Mark Merevség Hőállóság Hideg el...
| Beír | Mark | Merevség | Hőállóság | Hideg ellenállás | Olajállóság | Kopásállóság | |||
| Természetes gumi | NR | Körülbelül 60 | 120c | -50 ° ℃ | X | O | |||
| Ding -nitril gumi | NBR | Körülbelül 60 | 130 ° C ° | -10 ° C | O | O | |||
| Poliuretán gumi | PU | Körülbelül 90 | 80 ° C ° | -30 ° C | O | O | |||
| Természetes gumi | Ding -nitril gumi | Henger | Átmérő*vastagság*tengely átmérőjű | Henger szélessége | |||||
| RR-4812p | RRG-4812p | R-3812p | 48*5*12 | 100 ~ 1500 | |||||
| RR-4816 | RRG-4816 | R-3816 | 48*5*12 | 100 ~ 1500 | |||||
| RR-6721p | RRG-6721p | R-5721p | 67*5*12 | 100 ~ 1500 | |||||

Bevonási típusok Előnyök Vastagság bevonat ...
| Bevonási típusok | Előnyök | Vastagság bevonat |
| Elektromos horganyzott | Fehér cink, kék-fehér cink, háromértékű króm | Több mint 5 mikron |
| Kemény krómozás | Nagy keménység | Több mint 3 mikron |
Miért befolyásolja közvetlenül a görgős szállítószalag karbantartása a rendszer élettartamát? ...
További információMitől lesz egy görgős szállítószalag igazán nagy teherbírású? A nagy teherbírású görgős ...
További információMik azok a görgős szállítószalagok, és miért számít a típus? Görgős szállítószalagok...
További információMiért maradnak a görgős szállítószalagok az anyagmozgatás gerince? Görgős szállítósz...
További információSzállítószalagos rendszerek nap mint nap több millió tonna anyagot szállítanak át gyá...
További információA kivitelezés a jövőbe.
No.60, Zhenhu North Road, Hudai Town, Binhu kerület , Wuxi 214100, Kína
+86 139-2153-1116
+86-510-8558 1519/8558 1530
+86-510-8558 1520







