W-36PW
Cat:Gyanta kerék szállítószalag
Beír Hengerméret D*w*d*b Tengely Keretmé...
Fejlett struktúra, kiváló minőségű teljesítmény, könnyen használható, nagy megbízhatóság és tartósság.

Beír Hengerméret D*w*d*b Tengely Keretmé...
| Beír | Hengerméret D*w*d*b | Tengely | Keretméret h × w1 × w2 × w3 × t | Magasság H | Lenge L | Kerékpárt P | Egykerekű terhelés (kg) | Hengeres anyag |
| W-36PW | 36 × 9 × 8 × 14 | M8 × 55L | 46,3 × 60 × 33 × 71 × 1.6 2.3 | 52.3 | 1800 · 2400 · 3000 | 50 · 75 · 100 · 150 | 10 | Poom |
| W-45UW | 45 × 16 × 8 × 22 | M8 × 65L | 46,3 × 60 × 33 × 87 × 1.6 2.3 | 56.8 | 1800 · 2400 · 3000 | 50 · 75 · 100 · 150 | 25 | ABS |

Beír Hengerméret D*w*d*b Tengely Keretmé...
| Beír | Hengerméret D*w*d*b | Tengely | Keretméret h × w1 × w2 × w3 × t | Magasság H | Lenge L | Kerékpárt P | Egykerekű terhelés (kg) | Hengeres anyag |
| W-45UW | 45 × 16 × 8 × 22 | M8 × 65L | 46,3 × 60 × 33 × 87 × 1.6 2.3 | 56.8 | 1800 · 2400 · 3000 | 50 · 75 · 100 · 150 | 25 | ABS |

A közepes tok állvány alkalmas sokféle és néhány mennyiségű áru tárolására. A közepes tok állv...
A közepes tok állvány alkalmas sokféle és néhány mennyiségű áru tárolására.
A közepes tok állvány alkalmas pint méretű áruk, box áruk vagy speciális áruk tárolására, amelyek kevesebb, mint 500 kg.
| Beír | Rácsméret | Maximális terhelés | H | W | Tényleges szélesség | Alapszélesség | Mélység | |
| 1 réteg betöltése (kg) | Max terhelés (kg) | |||||||
| L | | 150 | 1000 | 1200 | 900 | 850 | 955 | 300 450 600 |
| 1200 | 1150 | 1255 | ||||||
| 1500 | 1450 | 1555 | ||||||
| 1800 | 1750 | 1855 | ||||||
| M | 300 | 1500 | 1500 | 900 | 850 | 955 | 450 600 750 900 | |
| 1200 | 1150 | 1255 | ||||||
| 1800 | 1500 | 1450 | 1555 | |||||
| 1800 | 1750 | 1855 | ||||||
| H | 500 | 2500 | 2100 | 900 | 850 | 955 | ||
| 2400 | 1200 | 1150 | 1255 | |||||
| 1500 | 1450 | 1555 | ||||||
| 1800 | 1750 | 1855 | ||||||
Betöltési kapacitólemez
Max terhelés (kg)
| Beír | Köteg L1*l2*t | Max terhelés (kg) | ||||
| 4 réteg | 5.6 rétegek | |||||
| A | 25*25*1.5 | 300 | 400 | |||
| B | 32*32*1.5 | 450 | 600 | |||
| C | 38*38*1.8 | 600 | 800 | |||
Max terhelés (kg)
| Mélység/hossz | 900 (mm) | 1200 (mm) | 1500 (mm) | 1800 (mm) | |||
| 300 (mm) | 100 | - | - | - | |||
| 450 (mm) | 150 | 150 | 100 | 60 | |||
| 600 (mm) | 200 | 200 | 150 | 100 | |||

Opció · Ennek a nehéz állványnak három típusa van: L, M, H ...
Opció
| · Ennek a nehéz állványnak három típusa van: L, M, H
· A maximális terhelési kapacitás a magasságtól és a rétegektől függ, kérjük, olvassa el a betöltési lapot.
· A betöltési kapacitás feltárásának állapota beton talaj, és az állványt kibővíthető csavarral kell rögzíteni. | |
| Beír | Magasság (mm) | Szélesség (mm) | Mélység (mm) |
| L típus (könnyű súly) | 2000 2500 3000 3500 4000 4500 5000 5500 6000 7000 8000 | 2000 2300 2500 2700 3000 3200 | 600 800 900 1000 1100 1200 |
| M típus (közepes súlyú súly) | |||
| H típus (nehéz súly) |
A rács maximális terhelése
| Minden réteg maximális terhelése (kg) | |||||||||||
| Rétegek/rács/magasság (mm) | 2 rétegű | 3 rétegű | 4 rétegű | 5 rétegű | |||||||
| L | M | L | M | H | L | M | H | L | M | H | |
| 2000 | 4440 | 5470 | 3140 | 3870 | 5190 | 2360 | 2900 | 3890 | 1880 | 2320 | 3110 |
| 2500 | 4020 | 4960 | 3130 | 3860 | 5190 | 2360 | 2900 | 3890 | 1880 | 2320 | 3110 |
| 3000 | 3670 | 4540 | 2920 | 3600 | 5120 | 2360 | 2900 | 3890 | 1880 | 2320 | 3110 |
| 3500 | 3380 | 4180 | 2730 | 3370 | 4830 | 2290 | 2820 | 3890 | 1880 | 2320 | 3110 |
| 4000 | 3130 | 3870 | 2560 | 3170 | 4560 | 2170 | 2680 | 3820 | 1880 | 2320 | 3110 |
| 4500 | 2920 | 3610 | 2420 | 2990 | 4330 | 2070 | 2550 | 3650 | 1800 | 2220 | 3110 |
| 5000 | 2730 | 3380 | 2290 | 2830 | 4120 | 1970 | 2430 | 3500 | 1730 | 2130 | 3040 |
| 5500 | 2570 | 3180 | 2170 | 2690 | 3920 | 1880 | 2330 | 3360 | 1660 | 2050 | 2940 |
| 6000 | 2420 | 3000 | 2070 | 2560 | 3750 | 1800 | 2230 | 3230 | 1600 | 1970 | 2840 |
| 7000 | 2180 | 2690 | 1880 | 2330 | 3440 | 1660 | 2060 | 3000 | 1490 | 1840 | 2660 |
| 8000 | 1960 | 2440 | 1730 | 2140 | 3180 | 1540 | 1910 | 2800 | 1390 | 1720 | 2500 |
A No Földrengés Nemzetének szabványa: K = 0,03 (szint remegési együttható)
Gerenda maximális terhelése
| Minden réteg maximális terhelése (kg) | |||||||
| Szélesség/sugármagasság | 2000 | 2300 | 2500 | 2700 | 3000 | 3200 | |
| 80 | 1777 | 1344 | 1137 | - - | - - | - - | |
| 100 | 2560 | 2226 | 1917 | 1644 | 1331 | 1170 | |
| 110 | 2918 | 2538 | 2335 | 2055 | 1665 | 1463 | |
| 120 | 3277 | 2849 | 2621 | 2427 | 2042 | 1794 | |
| 140 | 4045 | 3517 | 3236 | 2996 | 2697 | 2528 | |
| 160 | - - | 4998 | 4598 | 4257 | 3831 | 3592 | |
Különböző útmutató telepíthető a megfelelő targonatok szerint, amelyek csökkenthetik a folyosó áthaladásának szélességét és a helyet használhatják.

A [vasúti típusú] sínt földön lehet eldönteni ...
| A [vasúti típusú] sínt földön lehet eldönteni A különböző beállítási feltételek eltérő munkakörülményeket okozhatnak | Kétféle sín Rögzített sín használt FPR SIGLE-Side Művelet |
| Manget bár sín nélkül | |
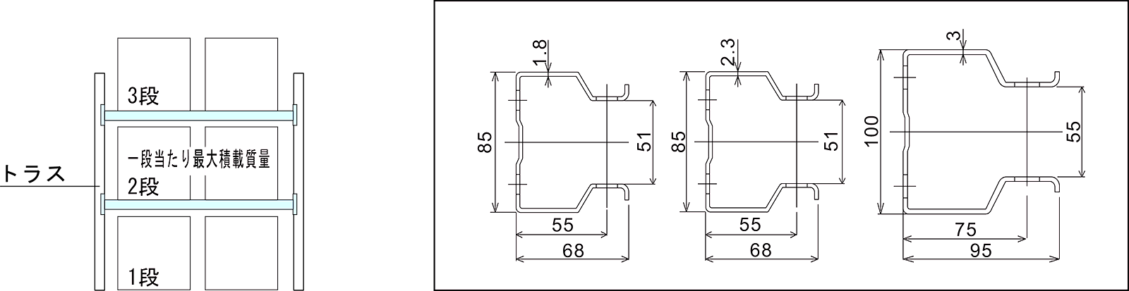
Szerkezet
Alapvető specifikáció
| Oldalsó panel | Sebesség | Motor | Hatalom | Ellenőrző | Biztonságos berendezés | |
| Vasút | 12T (2-kerék típus) 24T (négykerekű típus) | Max 10 m/perc | Max 1,5 kW | Egyfázisú Trinal-fázis | A hálózat vezérlése | Automatikus reteszelő folyosó Ellenőrzésbe lép Fényjelző lámpa Túlterhelésvédelem |
| 16T (2-kerék típus) 32T (négykerekű típus) | ||||||
| Sínvidéki | 8T (kétkerekű típus) 16T (4-kerék típus) |

Adja meg a magas frekvenciájú közepes és nehéz folyosóállványt. ...
| Adja meg a magas frekvenciájú közepes és nehéz folyosóállványt. Alkalmas a magas frekvenciájú mozgatható, mozgatható állványhoz.
| Az állvány doboz méretével és áruk mennyiségével választható ki. |
| Széles körben használják a logisztikai raktárban vagy gyártósorban. | |
| A kerék-szállítószer kényelmes az állvány rögzítéséhez vagy ürítéséhez. |
Képesség
|
Könnyű szerkezet Az egyszerű telepítés, a keret és a kerék-szállító beállítható a megfelelő helyre. Nagy vagy kis mennyiségű áruk tárolására alkalmas.
| |
|
Szabványos kerékgyűjtő Vasmag hengere: ф28 | |
|
A munka hatékonyságának LMprovementje Az áruk könnyű tárolása, kényelmes munka
|

Funkciók Az FLFO gravi...
|
Funkciók Az FLFO gravitációs állvány a csúszda pálya és az áruk holttestének dőlésén (4%) alapul. A gravitációs egyenes hengereket használják a csúszáshoz. Az LTS átviteli sebessége magas. A tárolás és a visszakeresés egyidejűleg elvégezhető, így az áruk áramlási sebessége növekszik. Célok Az LT alkalmas raklap vagy nagy mennyiségű tároláshoz és visszakereséséhez, kevésbé árukkal. Minden csúszó pályát használnak a lehető legfinomabb áruk tárolására és visszakeresésére. Az LT széles körben alkalmazható olyan iparágakban, mint a mechanikus, vegyi, elektronikus, italok és ételek stb.
| Fékhenger |
Jellemzők
| Raklap biztonsági elválasztó |

Alkalmas pint méretű szerszámok tárolására. Meghatározás 1. Az egyes rétegek betölté...
Alkalmas pint méretű szerszámok tárolására.
Meghatározás
1. Az egyes rétegek betöltése: max 1000 kg
2. MaxLayers: 4 -es lagosok
3. Méret: 1300WX800L
4.
5.
6. csavar rögzítése
7. opciók: ①Lron Clapboard ②Four rétegek
Jellegzetes
Alkalmas nehézáruk tárolására, gyanta -szerszámhoz, fémbélyegzésre és így tovább.
A csúszó raklap rétege megnövelhető és meghúzható.
Könnyű mozgatható munkához.

Méret és méretek Modellszám Dimenzió (LXWXH) (MM) ...
Méret és méretek
| Modellszám | Dimenzió (LXWXH) (MM) | |
| WM-600EFS | 630x680x800 | |
| WM-800EFS | 830x880x800 | |
| WM-1000EFS | 1030x1080x800 | |
| Megjegyzések: Testreszabható | Az ügyfelek | |
Meghatározás
| Képesség: | A csomagméretektől függ | |
| A sebesség továbbítása: | 0 ~ 120 m/perc (állítható) | |
| Dontív szög: | 30 ~ 90 fokos | |
| Kisülési irány: | Jobb, bal és előre | |
| Üzemi hőmérséklet: | -10 ~ 40 fokos | |
| Hatalom: | Szervo motor 1,5 kW | |
| Interfész opciók: | RS485/232, Ethernet, IO | |
| Maximális terhelési súly: | 70 kg/m2 | |
| Zaj: | Kevesebb, mint 75DB | |

A viszonzó emelő egy emelő eszköz, amely felfelé és lefelé mozgatja az elemeket a különböző száll...
A viszonzó emelő egy emelő eszköz, amely felfelé és lefelé mozgatja az elemeket a különböző szállítószalagok közötti függőleges átvitelhez. A legfontosabb jellemzők közé tartozik a lánc vagy a szinkron öv-sebességváltó, amelyet egy hajtómű vagy henger üzemeltet, amely felfelé és lefelé mozgatja az emelő kocsit. A felvonó kocsi szállítószalagjai automatikusan átviszik az elemeket az emelőbe és onnan.
| Beír | TSJ-C-200 TSJ-Z-200 | TSJ-C-500 TSJ-Z-500 | TSJ-C-1200 TSJ-Z-1200 | TSJ-C-2000 TSJ-Z-2000 |
| Lánc | 12a (4 bot) | 16a (4 bot) | 20a (4 bot) | 24a (4 bot) |
| Terhelés (kg) | MAX200KG | MAX500KG | MAX1200KG | Max2000 kg |
| Lift H2 (mm) | 3000 ~ 9000 | 3000 ~ 15000 | 3000 ~ 15000 | 3000 ~ 15000 |
| H1 (mm) betáplálási végmagasság (mm) | Min500mm | Min500mm | Min600 mm | Min600 mm |
| Főoszlop | 80*4T négyzet alakú cső | 100*4T négyzet alakú cső | 120*6T négyzet alakú cső | 140*6T négyzet alakú cső |
| egyensúlyi súly | Nincs elérhető ellensúly | ellensúly | ellensúly | ellensúly |
| függőleges sebesség (m/perc) | Max50 | Max50 | Max50 | Max50 |
| Biztonsági konfiguráció (opcionális) | Törött láncérzékelés, fékbilincs | |||
| Motor Hatalom_ (KW) | 2,2 ~ 15 kW | |||
| Power | AC380V (három fázis) | |||

Beír D*w*d*b Betöltés (kg) W-38TS ...
| Beír | D*w*d*b | Betöltés (kg) |
| W-38TS | 38x12x6,5x25 | 20 |
| W-40SL | 40x20x6,5x26 | 20 |
| W-50T | 49,2x15.5x8x25 | 40 |
| W-3850D | 38.1x50x12.2x63 | 130 |
| W-4850D | 48,6x50x12.2x63 | 200 |
| W-5750p | 57x50x12.2x55 | 60 |
| W-5750D | 57,2x50x12.2x63 | 200 |
| W-6050D | 60,5x50x12.2x6 | 200 |

Beír D*w*d*b Betöltés (kg) W-1225BS ...
| Beír | D*w*d*b | Betöltés (kg) |
| W-1225BS | 12x25x4.1x27 | 35 |
| W-2015BS | 20x15x6.1x17 | 30 |
| W-2025BS | 20x25x6,2x27 | 40 |
| W-2050BS | 20x50x6,2x52 | 50 |
| W-20100BS | 20x100x6.2x102 | 50 |
| W-25BS-13 | 25x9x6,2x13 | 30 |
| W-25BS | 25x9x6,2x16 | 30 |
| W-2523BS | 25x23x8,2x25 | 50 |
| W-30B-k | 30x50x10.5x55 | 160 |
| W-32BS | 32x25x8,2x28 | 90 |
| W-36BW-6 | 36x9x6,2x14 | 40 |
| W-36BS | 36x9x6,2x25 | 40 |
| W-36BW | 36x9x8,2x14 | 40 |
| W-36CS | 36x9x8,2x28 | 40 |
| W-50B-k | 50x14.5x8.2x20 | 80 |
| W-50DS-8 | 50x14.5x8.2x32 | 100 |
| W-50DS-10 | 50x14.5x10.2x20 | 100 |
| W-50DS-12 | 50x14.5x12.2x20 | 100 |
| HW-76DS | 76,3x30x30x44 | 1000 |
Miért befolyásolja közvetlenül a görgős szállítószalag karbantartása a rendszer élettartamát? ...
További információMitől lesz egy görgős szállítószalag igazán nagy teherbírású? A nagy teherbírású görgős ...
További információMik azok a görgős szállítószalagok, és miért számít a típus? Görgős szállítószalagok...
További információMiért maradnak a görgős szállítószalagok az anyagmozgatás gerince? Görgős szállítósz...
További információSzállítószalagos rendszerek nap mint nap több millió tonna anyagot szállítanak át gyá...
További információVajon a Wuxi Huiqian Logistics Machinery Manufacturing Co., Ltd. raklap szállító Támogassa több csatornát a különféle raklapok kezelésére egyszerre?
A logisztika és az anyagkezelés gyors tempójú világában a hatékonyság és az alkalmazkodóképesség kiemelkedő fontosságú. A vállalkozások olyan rendszereket igényelnek, amelyek nemcsak a közvetlen igényeiket kielégítik, hanem méretezhetőséget, megbízhatóságot és rugalmasságot is kínálnak a különböző típusú áruk és működési igények kezelésére. Az egyik ilyen megoldás a Wuxi Huiqian Logistics Machinery Manufacturing Co., Ltd. innovatív raklap -szállító rendszerei, amelyek célja az anyagmozgás és a különféle iparágak közötti korszerűsítés. De a kérdés továbbra is fennáll: támogathatják -e a raklap -szállítóik több csatornát a különféle raklapok kezelésére egyidejűleg?
Sokoldalúság a tervezésben: A hatékony logisztika lényege
A Wuxi Huiqian termékcsoportjának középpontjában a fejlett raklap szállító A System, egy aprólékosan megtervezett megoldás, amely bizonyítja a vállalat elkötelezettségét, hogy a japán technológiát a legmodernebb gyártási technikákkal keverje. Ezeket a rendszereket úgy építették fel, hogy páratlan alkalmazkodóképességet biztosítsanak a nagy igényű környezetben. Legyen szó nagy teherbírású alkalmazásról vagy finomabb, könnyebb beállításról, a rendszer testreszabható a különféle méretű, súlyú és típusú raklapok kezelésére.
A Wuxi Huiqian valódi ereje szállítószalaggyűjtő vonal A rendszerek abban rejlik, hogy képesek több csatornával működni, biztosítva, hogy a különféle típusú raklapok egyidejűleg kezelhetők legyenek. Ez a többcsatornás funkcionalitás elengedhetetlen a raktárak, gyártóberendezések és elosztó központok számára, ahol a műveletek gyakran megkövetelik a különféle raklapok egyidejű szállítását. Függetlenül attól, hogy nagy, terjedelmes tárgyakkal vagy kisebb, törékenyebb árukkal foglalkozik, a szállítószalagok testreszabhatók, hogy kivételes hatékonysággal megfeleljenek ezeknek az egyedi követelményeknek.
A testreszabás megfelel a pontosságnak
A Wuxi Huiqian nagyon büszke arra, hogy nagyon testreszabható szállítószalag -megoldásokat kínál. A moduláris kialakításra való összpontosításuk biztosítja, hogy rendszereik konfigurálhassanak a speciális működési igényekhez, ideértve a különböző raklaptípusok egyidejű kezelését a különböző sávokban. Ez különösen hasznos az olyan iparágakban, mint például az autóipari gyártás, az elektronika és az élelmiszer -eloszlás, ahol a raklap dimenziók és a terméktípusok változásai összetett logisztikai kihívásokat okozhatnak.
Ezenkívül a Wuxi Huiqian elkötelezettségét a minőség iránt hangsúlyozza a legmodernebb feldolgozó berendezések és a szigorú minőségirányítási rendszerek használata. Minden alkotóelem, a görgőktől a keretekig, a legmagasabb színvonalon van kialakítva, biztosítva nemcsak a funkcionalitást, hanem a hosszú távú tartósságot. A műveletekbe történő beépítéskor a szállítószalagok zökkenőmentes anyagok áramlását biztosítják, kiküszöbölik a szűk keresztmetszeteket és javítják az áteresztési hatékonyságot.
Fejlett technológia a jövőbeni megoldásokhoz
A logisztikai gépek gyártási ágazatának vezetőjeként a Wuxi Huiqian folyamatosan újít, biztosítva, hogy a szállítószalagok manapság nem csak megbízhatóak legyenek, hanem készen állnak arra, hogy alkalmazkodjanak a holnap ellátási láncainak igényeihez. A fejlett technológiák, például az automatizálás és a valós idejű követés használata tovább javítja raklap-szállítójaik teljesítményét, lehetővé téve a vállalkozások számára, hogy pontossággal megfigyeljék és ellenőrizzék anyagáramukat.
Azoknak a vállalatoknak, amelyek a jövőbiztos működésüket a Wuxi Huiqian megoldásai felbecsülhetetlen értékű előnyt kínálnak. Rendszereik könnyen integrálhatók más automatizálási technológiákba, olyan méretezhetőséget és alkalmazkodóképességet kínálva, amely biztosítja a folyamatos hatékonyságot, még a logisztikai igények fejlődésével is.
Az értékesítés utáni támogatás és az ügyfél-központú megközelítés
A Wuxi Huiqian kulcsfontosságú megkülönböztetője az ügyfelek elégedettsége iránti elkötelezettségük. A kiváló minőségű termékek szállításán túl nagy hangsúlyt fektetnek az értékesítés utáni szolgáltatásokra, technikai támogatást és szakmai útmutatást nyújtva rendszereik életciklusában. Ez a kötelezettségvállalás biztosítja, hogy minden ügyfél teljes értéket kapjon befektetéseiből, testreszabott megoldásokkal és folyamatos támogatással a legbonyolultabb logisztikai követelmények kezelésére.
Holisztikus megoldás a modern logisztikához
Összegezve, a Wuxi Huiqian Logistics Machinery Manufacturing Co., Ltd. megbízható partnerként kiemelkedik az anyagkezelés területén, különös tekintettel az iparágakra, amelyek fejlett, testreszabható és hatékony raklapgyártó rendszereket igényelnek. Többcsatornás szállítószalagos rendszereik, amelyek egyidejűleg a raklaptípusok tartományának egyidejű kezelésére szolgálnak, egy kifinomult megoldást képviselnek, amely megfelel a modern logisztikai műveletek igényeinek.
Ha olyan partnert keres, amely képes felemelni a logisztikai hatékonyságot, és testreszabható, méretezhető megoldásokat szállít, akkor a Wuxi Huiqian raklap-szállító rendszerei nem csupán egy terméket jelentenek-ezek befektetések a vállalkozás hosszú távú működési sikerébe.
A kivitelezés a jövőbe.
No.60, Zhenhu North Road, Hudai Town, Binhu kerület , Wuxi 214100, Kína
+86 139-2153-1116
+86-510-8558 1519/8558 1530
+86-510-8558 1520